Texas Instruments ULN2003ADYYEVM Evaluation Module
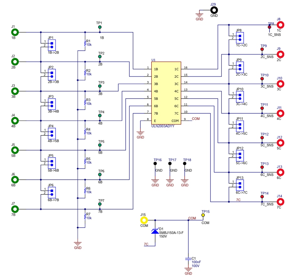
Texas Instruments ULN2003ADYYEVM Evaluation Module allows users to evaluate the entire performance and functionality of the ULN2003ADYY in the DYY SOT-23-THIN package. The ULN200xA/ULQ200xA High-Voltage High-Current Darlington Transistor Arrays comprise seven NPN Darlington pairs that feature high-voltage outputs with common-cathode clamp diodes for switching inductive loads.The TI ULN2003ADYYEVM is developed to be used as a standalone board with an attached voltage supply and output load. This standalone board can test and assess the ULN2003ADYY before designing it into part of a more significant application's power system. The ULN2003ADYYEVM is equipped with the ULN2003ADYY SOT (DYY version).
Features
- Pull-down resistors at each control input to make sure INx signals are not floating
- Jumpers to parallel channels for higher current capability
- An additional diode is connected from OUT7 to COM to suppress the kick-back voltage from an inductive load that is excited when the NPN drivers are turned off on OUT7
Applications
- Relay drivers
- Stepper and DC brushed motor drivers
- Lamp drivers
- Display drivers (LED and gas discharge)
- Line drivers
- Logic buffers
Schematic
Published: 2025-02-22
| Updated: 2025-03-06
