Texas Instruments UCC278x4/UCC278x4-Q1 Gate Drivers

Texas Instruments UCC278x4/UCC278x4-Q1 Gate Drivers are high-speed automotive 230V half-bridge drivers with 3.5A, 4A drive strength and up to 100V/ns noise immunity. These gate drivers feature fast propagation delays and excellent delay matching between both channels. The UCC278x4/UCC278x4-Q1 drivers operate within an 8.5V to 20V VDD supply voltage range and a -40°C to 150°C temperature range. These drivers also feature robust drive with excellent noise and transient immunity, including high dV/dt tolerance (100V/ns), and wide Negative Transient Safe Operating Area (NTSOA). The UCC27884-Q1 devices are AEC-Q100 qualified for automotive applications. These gate drivers are available in the SOIC-8 pin package. The UCC278x4/UCC278x4-Q1 drivers are ideal for motor drives (stepper motors, fans, power tools, robotics, drones, and servos), E-bikes and E-scooters, solar boost and buck-boost MPPT, and microinverters.

Features

  • UCC278x4-Q1 AEC-Q100 qualified for automotive applications:
    • Device temperature grade 1
  • Dual independent inputs for high-side and low-side drivers with no interlock
  • +230V (HB pin) maximum bootstrap voltage
  • 8.5V to 20V VDD bias recommended range
  • 3.5A source and 4A sink peak output current 
  • 29ns typical fast propagation delay
  • <5ns maximum tight propagation delay matching between HO/LO
  • 100V/ns dV/dt immunity
  • Low quiescent supply current draw:
    • 150µA (typical) on VDD
    • 90µA (typical) on HB
  • 8V built-in UVLO protection for both high and low side channels
  • Floating channel designed for bootstrap operation
  • Available in a standard SOIC-8 package
  • -40°C to 150°C specified temperature range

Applications

  • Motor drive (stepper motors, fans, power tools, robotics, drones, and servos)
  • E-bikes and E-scooters
  • Solar boost and buck-boost MPPT
  • Microinverters

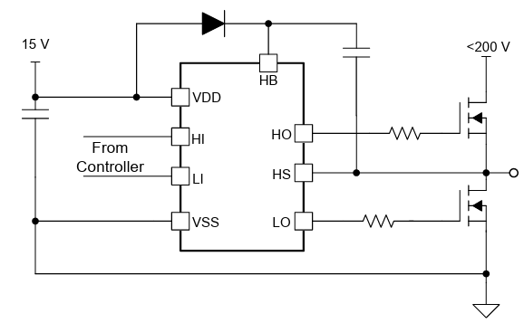
Schematic

Schematic - Texas Instruments UCC278x4/UCC278x4-Q1 Gate Drivers

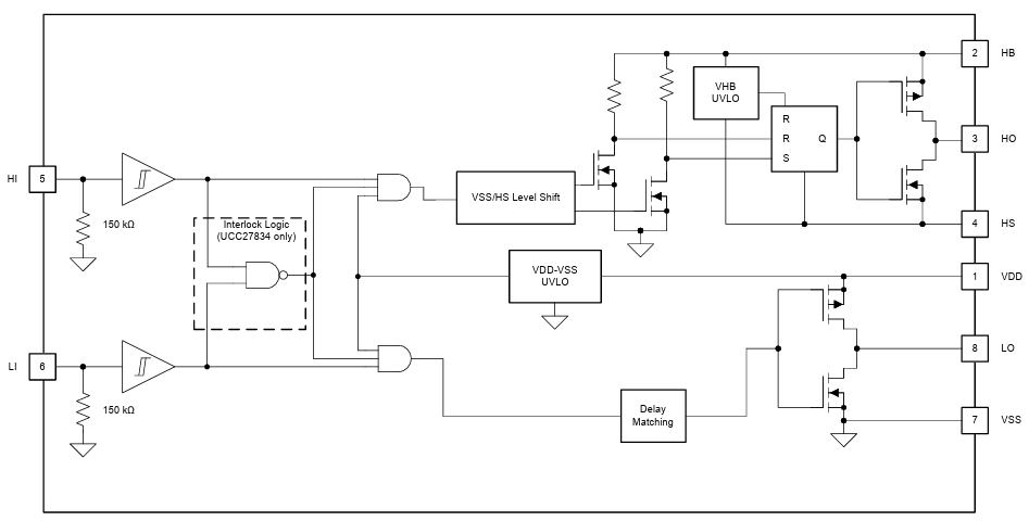
Block Diagram

Block Diagram - Texas Instruments UCC278x4/UCC278x4-Q1 Gate Drivers
Published: 2026-01-13 | Updated: 2026-02-18