Texas Instruments TS5USBC41 Dual 2:1 USB 2.0 Analog Switches
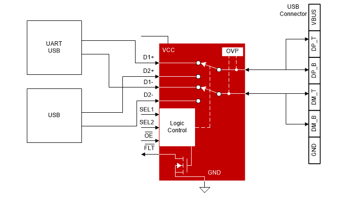
Texas Instruments TS5USBC41 Dual 2:1 USB 2.0 Analog Switches are high-speed, low-power, and offer integrated protection for USB Type-C™ systems. The device provides the option of a dual 2:1 or 1:2 switch. Additional features include a supply range of 2.3V to 5.5V and protection on the I/O pins. The I/O pins can tolerate up to 20V (TS5USBC410) or 24V (TS5USBC412) with automatic shutoff circuitry to protect system components behind the switch. A small 12-pin DSBGA package makes the TS5USBC41 ideal for mobile and space-constrained applications.Features
- 2.3V to 5.5V Supply range
- Differential 2:1 or 1:2 switch/multiplexer or flexible dual single-ended cross switch
- 0V to 20V (TS5USBC410) and 24V (TS5USBC412) Overvoltage Protection (OVP) on common pins
- Powered off protection When VCC = 0V
- Low RON of 9Ω maximum
- BW of 1.1GHz (TS5USBC410) and 1.2GHz (TS5USBC412) typical
- CON typical of 2.7pF (TS5USBC410) and 2.5pF (TS5USBC412)
- Low power disable mode
- 1.8V Compatible logic inputs
- ESD Protection exceeds JESD 22
- 2000V Human Body Model (HBM)
- TS5USBC410 and TS5USBC412: Standard temperature range of 0°C to 70°C
- TS5USBC410I and TS5USBC412I: Industrial temperature range of -40°C to 85°C
- Small DSBGA package
Applications
- Mobile
- PC/Notebook
- Tablet
- Anywhere a USB Type-C or Micro-B connector is used
Block Diagram
Published: 2018-07-17
| Updated: 2022-12-07
