Texas Instruments TPSM843321 Buck Power Module
Texas Instruments TPSM843321 Buck Power Module provides a 3.8V to 18V operating input voltage range with high design flexibility. The TPSM843321 is a high-power density, high-efficiency, easy-to-use, synchronous buck power module developed for systems powered from 5V or 12V power-bus rails. The power module supports up to 3A continuous output current and a 98% maximum duty cycle.The TI TPSM843321 utilizes fixed frequency peak current control with internal compensation for quick transient response and excellent line and load regulation. With the optimized internal loop compensation, the device eliminates the requirement for external compensation over a wide output voltage range and switching frequency.
The TPSM843321 delivers protection functions, including thermal shutdown, input undervoltage lockout, cycle-by-cycle current limit, and hiccup short-circuit protection.
The device is engineered in a 9-pin, 3.3mm × 4.5mm QFN package, and the pinout is available for a single-layer PCB layout. Furthermore, the TPSM843321 junction temperature is established from -40°C to 125°C.
Features
- Configured for a wide range of applications
- 3.8V to 18V input voltage range
- 0.6V to 12V output voltage range
- Up to 3A continuous output current
- 0.6V ±1% reference voltage (-40°C to 125°C)
- Low quiescent current of 28uA (typical)
- 70ns, 114ns minimum switching on, off-time
- 8us maximum switching on-time
- 98% maximum duty cycle
- Ease of use and small design size
- Peak current control mode with internal compensation
- 200kHz to 2.2MHz selectable frequency
- Synchronizable to an external clock (support phase shift) at 200kHz to 2.2MHz
- Selectable PFM/FCCM at light load condition
- Operating junction temperature of -40°C to 125°C
- Selectable adjustable soft-start time/power good indicator function
- Good EMI performance with frequency spread spectrum and optimized pinout
- Hiccup overcurrent (OC) limit for both high-side and low-side MOSFETs
- Non-latched protections for overtemperature protection (OTP), overcurrent protection (OCP), overvoltage protection (OVP), undervoltage protection (UVP), and undervoltage lockout (UVLO)
- Integrated bootstrap capacitor and inductor to support easy PCB layout
- 3.3mm x 4.5mm x 2mm QFN package
- Create a custom design with the TPSM843321 using the WEBENCH® Power Designer
Applications
- Medical and healthcare
- Test and measurement
- Building automation
- Wired networking, wireless infrastructure
- Distributed power systems with 5V and 12V input
Simplified Schematic
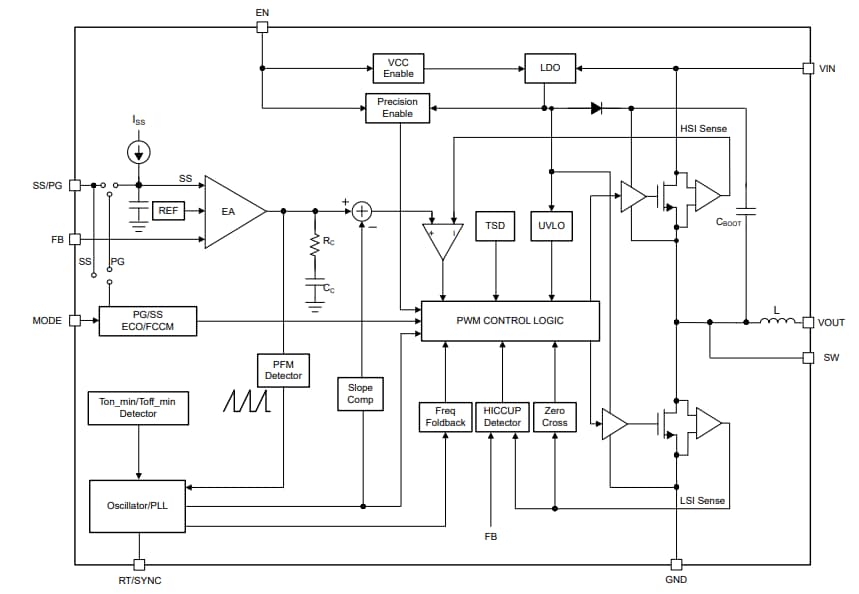
Functional Block Diagram
Published: 2025-06-03
| Updated: 2025-06-12
