Texas Instruments TPSI3052/TPSI3052-Q1 Isolated Switch Driver

Texas Instruments TPSI3052/TPSI3052-Q1 Isolated Switch Drivers are fully integrated when combined with an external power switch, forming a completely isolated Solid State Relay (SSR). With a nominal gate drive voltage of 15V with 1.5/3.0A peak source and sink current, a large variety of external power switches can be chosen to meet a wide range of applications. The TPSI3052/TPSI3052-Q1 generates its own secondary bias supply from the power received from its primary side, so no isolated secondary supply bias is required. Additionally, the TPSI3052/TPSI3052-Q1 can optionally supply power to external supporting circuitry for various application needs. The TPSI3052-Q1 devices are AEC-Q100 qualified for automotive applications.

Features

  • No isolated secondary supply required
  • Drives external power transistors or SCRs
  • 5kVRMS reinforced isolation
  • 15V gate drive with 1.5A/3A peak source and sink current
  • Up to 50mW supply for external auxiliary circuitry
  • Supports AC or DC switching
  • Supports two-wire or three-wire modes
  • Functional safety-capable:
    • Documentation available to aid functional safety system design
  • Seven levels of power transfer and resistor selectable
  • AEC-Q100 qualified for automotive applications:
    • -40 to 125°C, TA temperature grade 1
  • Safety-related certifications
    • Planned: 7071VPK reinforced isolation per DIN EN IEC 60747-17 (VDE 0884-17)
    • Planned: 5kVRMS isolation for 1 minute per UL 1577

Applications

  • Solid State Relays (SSR)
  • Battery management system
  • On-board charger
  • Hybrid, electric, and powertrain systems
  • Building automation
  • Factory automation and control

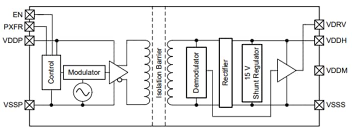
Block Diagram

Block Diagram - Texas Instruments TPSI3052/TPSI3052-Q1 Isolated Switch Driver

Application Diagram

Application Circuit Diagram - Texas Instruments TPSI3052/TPSI3052-Q1 Isolated Switch Driver
Published: 2023-02-20 | Updated: 2025-06-02