Texas Instruments TPS7H4011QEVM-CVAL Evaluation Module

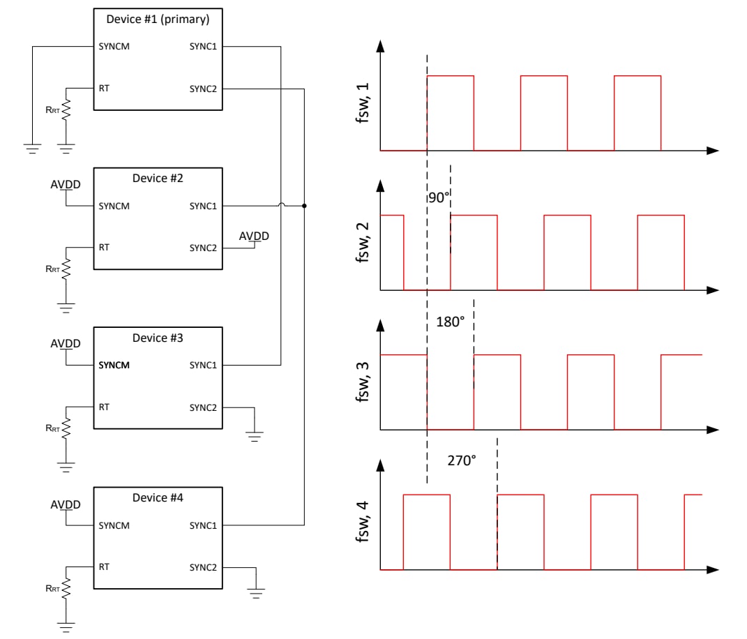
Texas Instruments TPS7H4011QEVM-CVAL Evaluation Module is designed to quickly and easily demonstrate the parallel, quadrature phase operation of four TPS7H4011-SP buck converters in a ceramic package. The TPS7H4011's wide voltage range enables it to be used as a point-of-load regulator to convert directly from a 12V or 5V rail.

The TI TPS7H4011QEVM-CVAL supplies footprints that can be populated with additional components for testing custom configurations and test points for easy device arrangement, performance validation, and analysis.

Features

  • Four-channel operation for up to 48A output current
  • Input voltage range from 4.5V to 14V
  • Selectable switching frequency
  • High-current transient test circuit
  • 0.6V ±0.67% voltage reference over line, temperature, and radiation

Applications

  • Space satellite point of load supply
  • Satellite electrical power systems (EPS)
  • Communications payload
  • Radar imaging payload
  • Radiation-hardened power supplies

Simplified Schematic

Schematic - Texas Instruments TPS7H4011QEVM-CVAL Evaluation Module

Layout

Texas Instruments TPS7H4011QEVM-CVAL Evaluation Module
Published: 2025-05-30 | Updated: 2025-06-05