Texas Instruments TPS549B22 Synchronous Step-Down Converter

Texas Instruments TPS549B22 Synchronous Step-Down Converter is a compact single buck converter with an adaptive on-time, D-CAP3 mode control. The device is designed for high accuracy, high efficiency, fast transient response, ease of use, and low external component count for space-conscious power systems. The TPS549B22 features full differential sense and TI integrated FETs with a high-side on-resistance of 4.1mΩ and a low-side on-resistance of 1.9mΩ. The device also features an accurate 0.5%, 0.9V reference with an ambient temperature range between –40°C and +125°C. Competitive features also include very low external component count, accurate load regulation and line regulation, auto-skip or FCCM mode operation, and internal soft-start control.

Features

  • 1.5V to 18V Input voltage (PVIN)
  • 4.5V to 22V Input bias voltage (VDD) range
  • 0.6V to 5.5V Output voltage range
  • Integrated, 4.1mΩ and 1.9mΩ power MOSFETs with 25A continuous output current
  • Voltage reference 0.6V to 1.2V in 50mV steps using VSEL pin
  • –40°C to +125°C Junction temperature ±0.5%, 0.9VREF tolerance range
  • True differential remote sense amplifier
  • D-CAP3™ Control loop
  • Adaptive on-time control with 8 PMBus™ frequencies: 315kHz, 425kHz, 550kHz, 650kHz, 825kHz, 900kHz, 1.025MHz, 1.125MHz
  • Temperature compensated and programmable current limit with RILIM and OC clamp
  • Choice of hiccup or latch-off OVP or UVP
  • VDD UVLO External adjustment by precision EN
  • Prebias start-up support
  • Eco-mode™ and FCCM selectable
  • Full suite of fault protection and PGOOD
  • Standard VOUT_COMMAND and VOUT_MARGIN (HIGH and LOW)
  • Pin-strapping and on-the-fly programming
  • Fault reporting and warning
  • NVM Backup for selected commands
  • 1MHz PMBus with PEC and SMB_ALRT#

Applications

  • Enterprise storage, SSD, NAS
  • Wireless and wired communication infrastructure
  • Industrial PCs, automation, ATE, PLC, video surveillance
  • Enterprise server, switches, routers
  • ASIC, SoC, FPGA, DSP core and I/O rails

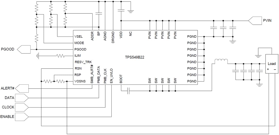
Simplified Application

Application Circuit Diagram - Texas Instruments TPS549B22 Synchronous Step-Down Converter
Published: 2017-09-22 | Updated: 2022-06-09