Texas Instruments TPS543C20A Step-Down SWIFT™ Converters

Texas Instruments TPS543C20A Step-Down SWIFT™ Converters use an internally compensated emulated peak-current-mode control with a clock synchronizable, fixed-frequency modulator for EMI-sensitive POL. The internal integrator and directly amplifying ramp tracking loop eliminate the need for external compensation over a wide range of frequencies. This feature makes the TPS543C20A system design flexible, dense, and simple.

Transient performance is improved via optional API and body braking, significantly reducing undershoot and overshoot. Integrated NexFET™ MOSFETs with low-loss switching facilitate high efficiency and deliver up to 40A in a 5mm × 7mm PowerStack™ package with a layout friendly thermal pad. Two TPS543C20A devices can be stacked together to provide up to 80A point-of-load.

Features

  • Internally-compensated advanced current mode control 40A POL
  • 4V to 16V input voltage range 
  • Integrated 3.4/0.9mΩ stacked NexFET™ power stage with lossless low-side current sensing
  • Fixed frequency - synchronization to an external clock and/or sync out
  • Pin strapping programmable switching frequency
    • 300kHz to 2MHz for standalone
    • 300kHz to 1MHz for stackable
  • Stack 2× for up to 80A with current share, voltage share, and CLK sync
  • 0.6V to 5.5V output voltage range 
  • Pin strapping programmable reference from 0.6V to 1.1V with 0.5% accuracy
  • Differential remote sensing
  • Safe start-up into pre-biased output
  • High-accuracy hiccup current limit
  • Asynchronous Pulse Injection (API) and body braking
  • 40-pin, 5mm × 7mm LQFN package with 0.5mm pitch and single thermal pad

Applications

  • Wireless and wired communications infrastructure equipment
  • Enterprise servers, switches, and routers
  • Enterprise storage, SSD
  • ASIC, SoC, FPGA, DSP core, and I/O rails

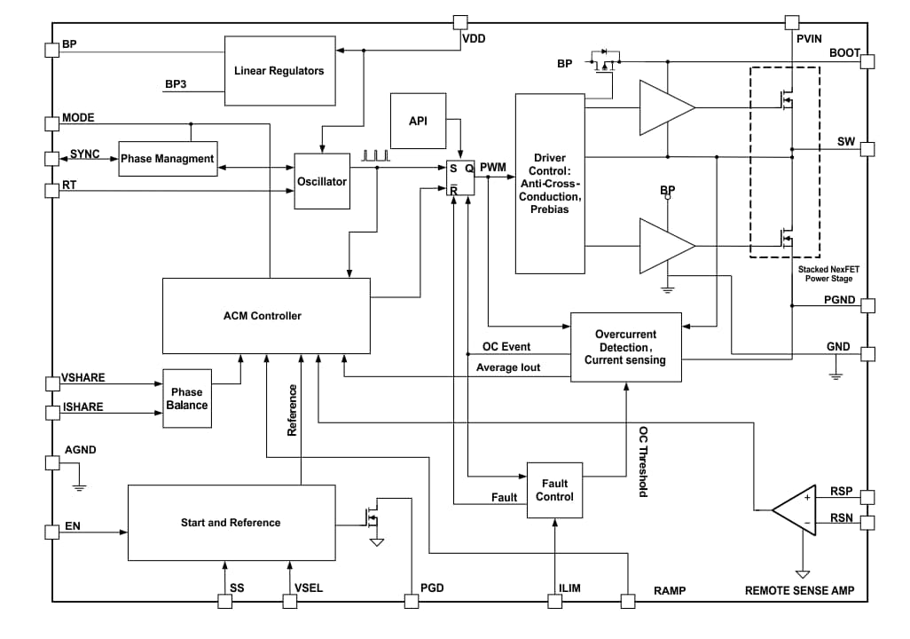
Block Diagram

Block Diagram - Texas Instruments TPS543C20A Step-Down SWIFT™ Converters

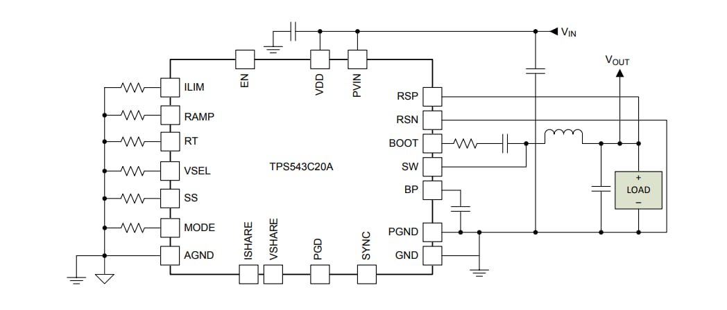
Simplified Schematic

Schematic - Texas Instruments TPS543C20A Step-Down SWIFT™ Converters
Published: 2019-11-26 | Updated: 2024-02-08