Texas Instruments TPS54227 Synchronous Step Down Converter

Texas Instruments TPS54227 Synchronous Step-Down SWIFT™ Converter is an adaptive on-time D-CAP2™ mode synchronous buck converter. The TI TPS54227 step down SWIFT converter features a main control loop that uses D-CAP2 mode control for a fast transient response with no external compensation components. The Texas Instruments TPS54227 step-down converter also has a proprietary circuit that allows for low ESP output capacitors and ultra-low ESR ceramic capacitors. This TI step-down converter operates from 4.5V to 18V VIN input. The output voltage can be programmed between 0.76V and 7V. The TPS54227 also features an adjustable soft-start time.

Features

  • D-CAP2™ Mode Enables Fast Transient Response
  • Low Output Ripple and Allows Ceramic Output Capacitor
  • Wide VIN Input Voltage Range: 4.5V to 18V
  • Output Voltage Range: 0.76V to 7.0V
  • Highly Efficient Integrated FETs Optimized for Lower Duty Cycle Applications
    • 155mΩ (High Side) and 108mΩ (Low Side)
  • High Efficiency, Less Than 10µA at Shutdown
  • High Initial Bandgap Reference Accuracy
  • Adjustable Soft Start
  • Pre-Biased Soft Start
  • 700kHz Switching Frequency (fSW)
  • Cycle By Cycle Over Current Limit

Applications

  • Digital TV Power Supply
  • High Definition Blu-ray Disc™ Players
  • Networking Home Terminal
  • Digital Set Top Box

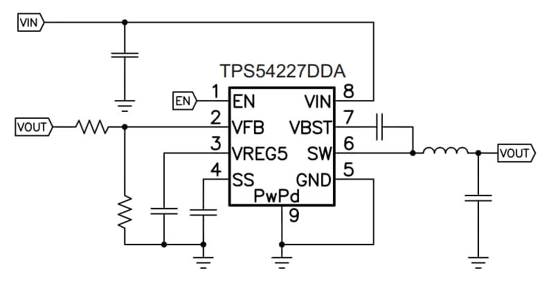
Simplified Schematic

Schematic - Texas Instruments TPS54227 Synchronous Step Down Converter
Published: 2012-01-26 | Updated: 2022-03-11