Texas Instruments TPS25984 Stackable eFuses
Texas Instruments TPS25984 Stackable eFuses are integrated, high-current circuit protection and power management solution in a small package. These devices offer various protection modes with minimal external components, serving as a reliable safeguard against overloads, short circuits, and excessive inrush current. The TPS25984 eFuses work in a 4.5V to 16V input operating voltage range and support parallel connection of multiple eFuses for higher current support. These stackable eFuses offer adjustable output slew rate control (dVdt) for inrush current protection and active high enable input with adjustable Undervoltage Lockout (UVLO). The TPS25984 eFuses are suitable for input hot-swap and hotplugs, server and high-performance computing, network interface cards, graphics/hardware accelerator cards, and data center switches/routers.Features
- 4.5V to 16V input operating voltage range:
- 20V absolute maximum
- Withstands negative voltages up to –1V at output
- 0.8mΩ integrated FET with ultra-low on-resistance (typical)
- Rated for RMS current of 55A and peak current of 70A
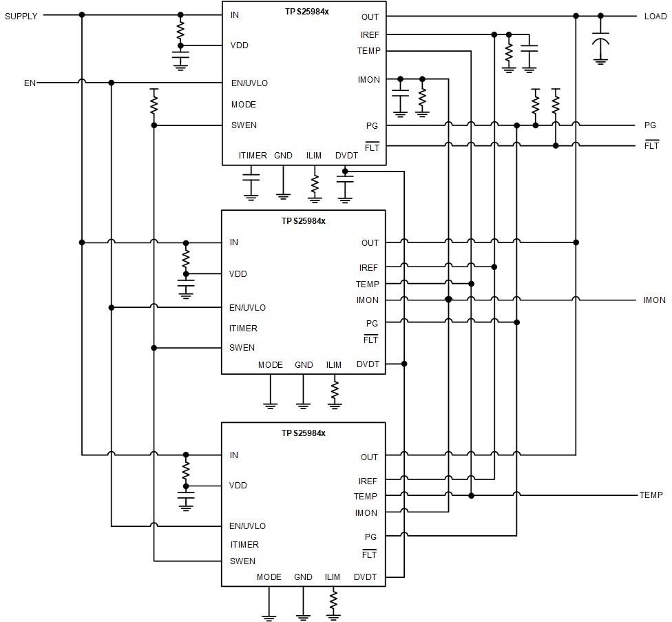
- Supports parallel connection of multiple eFuses for higher current support:
- Active device state synchronization and load sharing during start-up and steady-state
- Robust overcurrent protection:
- Adjustable overcurrent threshold (IOCP) of 10A to 55A with an accuracy of ±5%
- Circuit-breaker response during steady state operation with adjustable transient overcurrent timer (ITIMER) to support peak currents up to 2×IOCP
- Adjustable active current limit during start-up (ILIM)
- Precise analog load current monitoring:
- ±1.4% accuracy
- >500kHz bandwidth
- Robust short-circuit protection:
- Fast-trip response (<200ns) to output short-circuit events
- Adjustable threshold (2×IOCP)
- Immune to supply line transients (no nuisance tripping)
- Fast overvoltage protection (fixed 16.7V threshold)
- Adjustable output slew rate control (dVdt) for inrush current protection
- Active high enable input with adjustable Undervoltage Lockout (UVLO)
- Overtemperature Protection (OTP) to ensure FET SOA:
- 10W√s guaranteed FET SOA
- Integrated FET health monitoring and reporting
- Analog die temperature monitor output (TEMP)
- Dedicated fault indication pin ( FLT)
- Power-Good indication pin (PG)
- Small footprint 5mm × 5mm QFN package
- 100% Pb free
Applications
- Input hotswap and hotplug
- Server and high performance computing
- Network interface cards
- Graphics and Hardware accelerator cards
- Data center switches and routers
- Fan trays
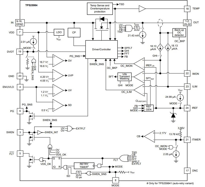
Functional Block Diagram
Simplified schematic
Published: 2024-01-22
| Updated: 2024-02-19
