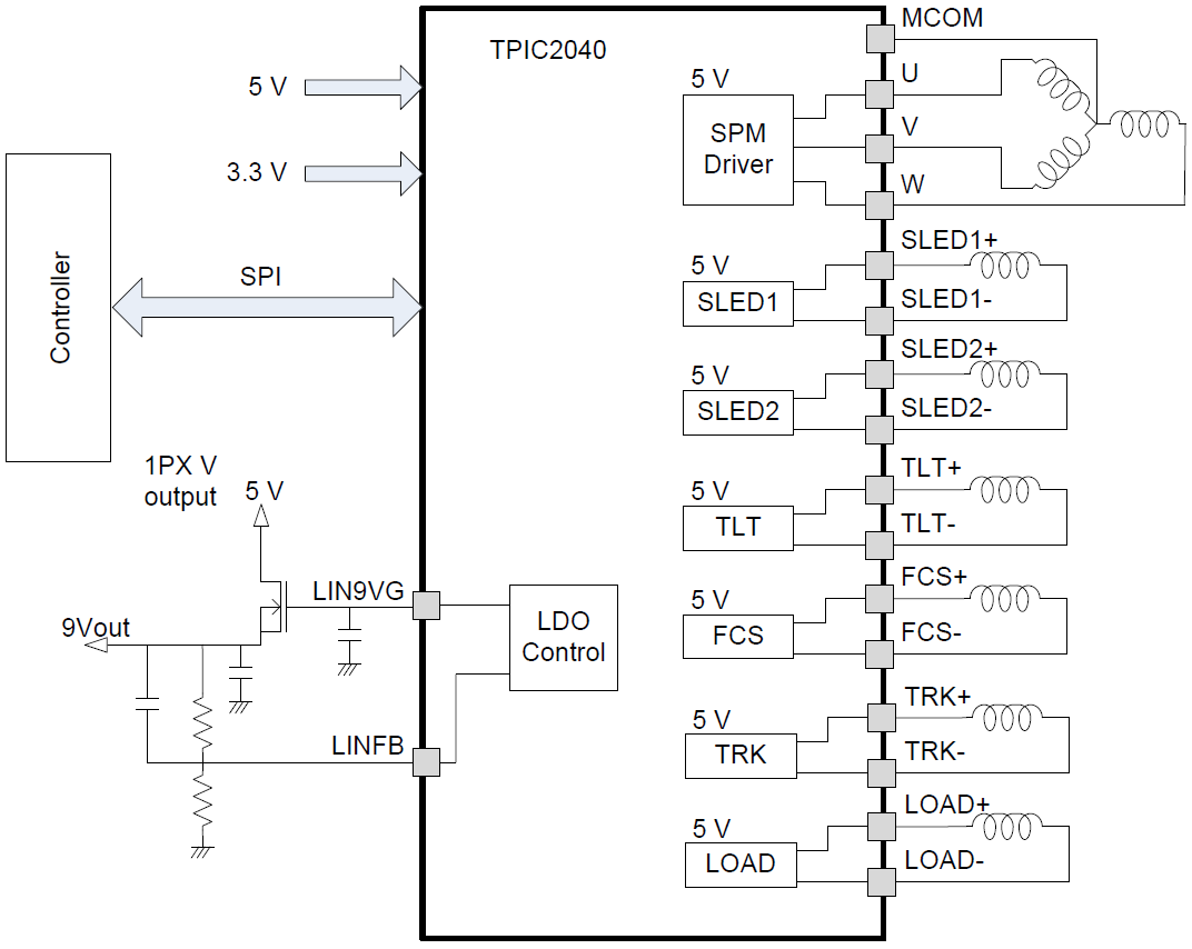
Texas Instruments TPIC2040 7-Channel Motor Driver

Texas Instruments TPIC2040 7-Channel Motor Driver is a very-low noise type motor driver IC suitable for slim or ultra-slim DVD reader/writer. This IC includes integrated current sense resistance that measures SPM current and reduces drive system cost. The Texas Instruments TPIC2040 is controlled by serial I/F and is optimum for driving a spindle motor, sled motor, load motor, and Focus / Tracking / Tilt actuators. The spindle motor driver uses BEMF detection for sensorless startup and control of the spindle motor. As the output stage of all channels works in efficient PWM driving, it is possible to attain low-power operation by PWM control. Deadband less control is possible for a focus /tracking/tilt actuator driver. In addition, the spindle part output current limiting circuit, thermal shutdown circuit, sled-end detection circuit, actuator protection, and power-reset circuit are all built-in.

Features

  • Serial Peripheral Interface (SPI)
    • Maximum read/write 35MHz
    • 3.3V digital I/O
  • Actuator and motor driver
    • PWM control with H-bridge output
    • Focus/tracking/tilt actuator driver with 12-bit DAC control
    • Sled motor drivers with current mode, 10-bit DAC control
    • Load driver with 12-bit DAC control
    • Capable end position sensing for sled without position sensor
  • Spindle motor driver
    • Integrated spindle current sense resistor
    • Selectable current sense resistor value 0.27Ω to 0.20Ω by register setting; thereby, SPM current can be restricted from 725mA to 980mA
    • Sensor-less (rotor position sense by motor BEMF)
    • 12-bit spindle DAC programmed through a serial port
    • Self-contained inductive position sense and startup
    • A quick stop by an automatic controlled brake named auto short brake (short and active brake)
    • 0.7A maximum continuous current excluding thermal issues
    • LS mode (restricted to 25% of normal speed)
  • Utility functions
    • XRESET signal with digital delay (POR) 20ms
    • Status latch (act timer, SIF error, PWR monitor, thermal protection, and OCP error)
  • Switch
    • CSW (software control current output port)
  • LDO pre-driver
    • 1-channel LDO pre-driver for 3.3V or 1.2V output with an external transistor
  • Protection
    • Individual thermal protect circuit on CSW, SPM, and Act channel
    • Two alert levels (and in thermal protection)
    • Overcurrent protection circuit in load driver
    • Selectable OCP threshold level in CSW output
    • Hardware device disable pin XMUTE
    • Power monitor by Undervoltage Lockout (UVLO) and Overvoltage Protection (OVP)

Applications

  • DVD player
  • CD player
  • Optical disk drive

Simplified Block Diagram

Block Diagram - Texas Instruments TPIC2040 7-Channel Motor Driver
Published: 2017-08-08 | Updated: 2022-06-17