Texas Instruments TPDxE05U06/TPDxE05U06-Q1 TVSs

Texas Instruments TPDxE05U06/TPDxE05U06-Q1 Transient Voltage Suppressors (TVS) are unidirectional, Electrostatic Discharge (ESD) protection diodes with ultra-low capacitance. The devices are rated to dissipate ESD strikes above the maximum level specified in the IEC 61000-4-2 level 4 international standard.

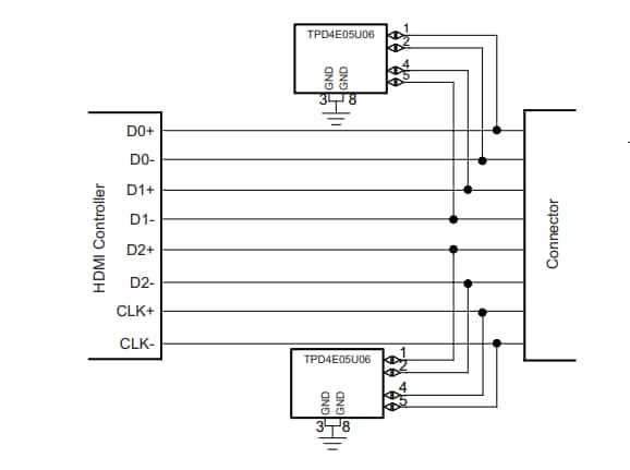
The TI TPDxE05U06/TPDxE05U06-Q1 Suppressors feature an ultra-low loading capacitance ideal for protecting high-speed signal applications up to 6Gbps. The devices are suitable for various applications, including high-speed signal lines in HDMI 1.4b, HDMI 2.0, USB 3.0, MHL, LVDS, DisplayPort, PCI-Express®, eSata, and V-by-One® HS.

Features

  • AEC-Q101 Qualified (TPDxE05U06-Q1)
    • Device HBM classification level H3B
    • Device CDM classification level C5
    • –40°C to +125°C Device temperature range
  • IEC 61000-4-2 Level 4 ESD protection
    • ±12kV Contact discharge
    • ±15kV Air gap discharge
  • IEC 61000-4-4 EFT Protection
    • 80A (5/50ns)
  • IEC 61000-4-5 Surge protection
    • 2.5A (8/20µs)
  • I/O Capacitance 0.42pF to 0.5pF (typical)
  • DC Breakdown voltage 6.4V (minimum)
  • Ultra-low leakage current 10nA (maximum)
  • Low ESD clamping voltage (14V at 5A TLP)
  • Easy flow-through routing packages

Applications

  • End equipment
    • Head unit
    • Rear seat entertainment
    • Telematics
    • USB Hub
    • Navigation module
    • Media Interface
  • Interfaces
    • USB 2.0
    • USB 3.0
    • HDMI 1.4/2.0
    • LVDS
    • DisplayPort
    • SIM Card

Functional Block Diagram

Block Diagram - Texas Instruments TPDxE05U06/TPDxE05U06-Q1 TVSs

Simplified Schematic

Schematic - Texas Instruments TPDxE05U06/TPDxE05U06-Q1 TVSs
Published: 2022-04-10 | Updated: 2024-08-10