Texas Instruments TLV1391 Single Differential Comparators

Texas Instruments TLV1391 Single Differential Comparators are built using a Texas Instruments high-speed, low-voltage bipolar process. These devices have been developed specifically for low-voltage, single-supply applications. This device's enhanced performance makes them excellent replacements for the LM393 in the improved 3V and 5V system designs. The Texas Instruments TLV1391, with its typical supply current of only 80µA, is ideal for low-power systems. The response time has also been improved to 0.7µs.

Features

  • Low-voltage and single-supply operation of VCC = 2V to 7V
  • Common-Mode voltage range includes ground
  • Fast response time of 0.7µs (typ.)
  • Low supply current of 80µA (typ.) and 150µA (max.)
  • Fully specified at 3V and 5V supply voltages

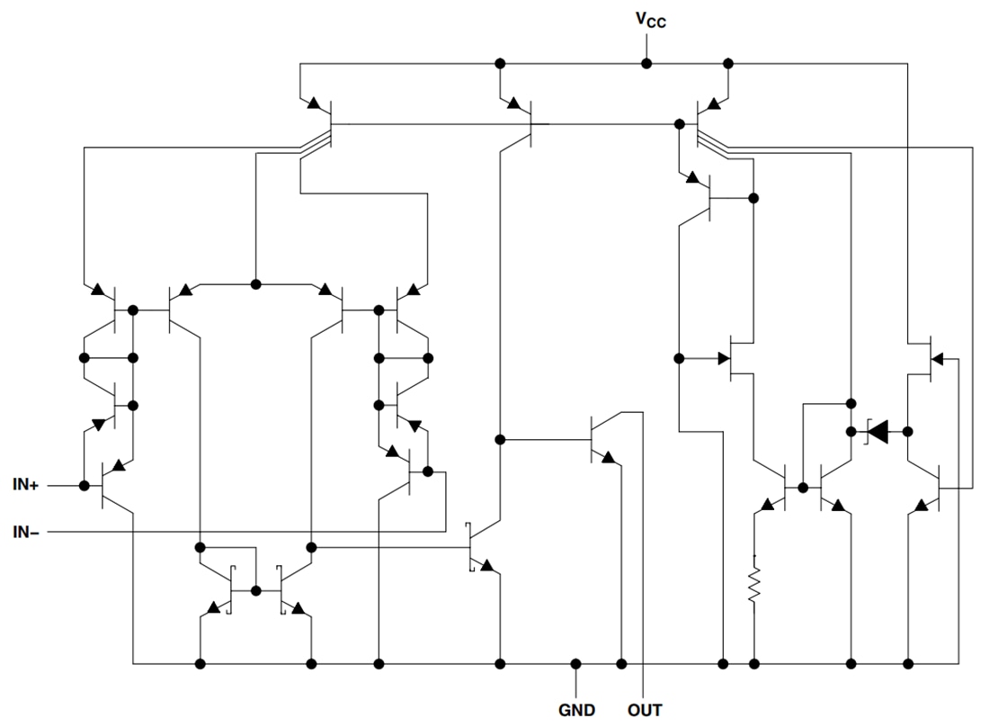
Schematic

Schematic - Texas Instruments TLV1391 Single Differential Comparators
Published: 2024-12-04 | Updated: 2024-12-12