Texas Instruments SNx5176B Differential Bus Transceivers

Texas Instruments SNx5176B Differential Bus Transceivers are designed for bidirectional data communication on multipoint bus transmission lines. The SN65176B and SN75176B meet ANSI standards TIA/EIA-485-A and TIA/EIA-422-B and ITU recommendations V.11 and X.27, and are designed for balanced transmission lines.

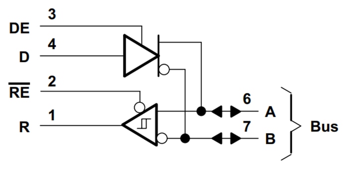
The Texas Instruments SN65176B and SN75176B devices combine a differential input line receiver and a 3-state differential line driver, which operate from a single 5V power supply. The driver has an active-high enable, and the receiver has an active-low enable, which can connect externally to function as a direction control. The receiver differential inputs and the driver differential outputs are connected internally to form differential input/output (I/O) bus ports designed to offer minimum loading to the bus when the driver is VCC = 0 or is disabled. These ports feature wide negative and positive common-mode voltage ranges, making the device appropriate for party-line applications.

The driver is designed for up to 60mA of source or sink current. The driver features negative and positive thermal shutdown and current limiting for protection from line-fault conditions. Thermal shutdown is designed to occur at a junction temperature of approximately 150°C. The receiver features an input sensitivity of ±200mV, a minimum input impedance of 12kΩ, and a typical input hysteresis of 50mV.

Features

  • Bidirectional transceivers
  • Meets or exceeds the requirements of ANSI standards TIA/EIA-422-B and TIA/EIA-485-A and ITU Recommendations V.11 and X.27
  • Designed for multipoint transmission on long bus lines in noisy environments
  • 3-state driver and receiver outputs
  • Individual driver and receiver enables
  • Wide positive and negative input/output bus voltage ranges
  • ±60mA maximum driver output capability
  • Thermal shutdown protection
  • Driver positive and negative current limiting
  • 12kΩ minimum receiver input impedance
  • ±200mV receiver input sensitivity
  • 50mV typical receiver input hysteresis
  • Operates from a single 5V supply

Applications

  • Chemical and gas sensors
  • Digital signage
  • Human machine interfaces (HMI)
  • Motor controls
    • AC induction
    • Brushed and brushless DC
    • Low- and high-voltage
    • Stepper motors
    • Permanent magnets
  • TETRA base stations
  • Telecommunication towers
    • Remote electrical tilt (RET) units
    • Tower-mounted amplifiers (TMA)
  • Weigh scales
  • Wireless repeaters

Videos

Functional Block Diagram

Block Diagram - Texas Instruments SNx5176B Differential Bus Transceivers
Published: 2025-09-26 | Updated: 2025-10-08