Texas Instruments SN74HC393/SN74HCS393 Dual 4-Bit Binary Counters

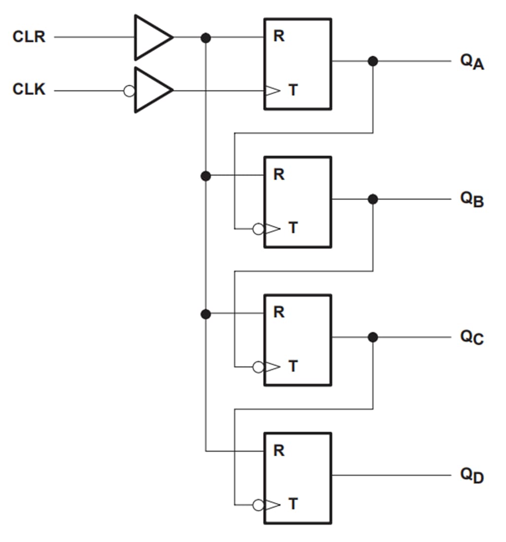
Texas Instruments SN74HC393/SN74HCS393 Dual 4-Bit Binary Counters contain eight flip-flops and additional gating to implement two individual 4-bit counters in a single package. These devices comprise two independent 4-bit binary counters, each having a clear (CLR) and a clock (CLK) input. N-bit binary counters can be implemented with each package, providing the capability of dividing by 256. The Texas Instruments SN74HC393/SN74HCS393 have parallel outputs from each counter stage so that any submultiple of the input count frequency is available for system timing signals.

Features

  • Wide operating voltage range of 2V to 6V
  • Outputs can drive up to 10 LSTTL loads
  • Low power consumption of 80µA (max.) ICC
  • Typical tpd = 13ns
  • ±4mA output drive at 5V
  • Low input current of 1µA (max.)
  • Dual 4-bit binary counters with individual clocks
  • Direct clear for each 4-bit counter
  • Can significantly improve system densities by reducing counter package count by 50%

Logic Diagram (Positive Logic)

Location Circuit - Texas Instruments SN74HC393/SN74HCS393 Dual 4-Bit Binary Counters
Published: 2024-12-03 | Updated: 2024-12-13