Texas Instruments SN74AHCT74/SN74AHCT74-Q1 Dual D-Type Flip-Flops
Texas Instruments SN74AHCT74/SN74AHCT74-Q1 Dual D-Type Flip-Flops are dual positive-edge-triggered devices with clear and preset. A low level at the preset (PRE) or clear (CLR) inputs sets or resets the outputs, regardless of the levels of the other inputs. When the Texas Instruments SN74AHCT74/SN74AHCT74-Q1 PRE and CLR are inactive (high), data at the data (D) input meeting the setup time requirements is transferred to the outputs on the positive-going edge of the clock pulse. Clock triggering occurs at a voltage level and is not directly related to the rise time of the clock pulse. Following the hold-time interval, data at the D input can be changed without affecting the levels at the outputs. The SN74AHCT74-Q1 devices are AEC-Q100 qualified for automotive applications.Features
- Operating range of 4.5V to 5.5V
- Low power consumption of 10µA (maximum) ICC
- ±8mA output drive at 5V
- Inputs are TTL-voltage compatible
- Latch-up performance exceeds 250mA per JESD 17
Applications
- Convert a momentary switch to a toggle switch
- Hold a signal during controller reset
- Input slow edge-rate signals
- Operate in noisy environments
- Divide a clock signal by two
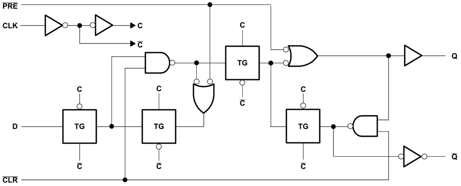
Functional Block Diagram
Published: 2023-06-20
| Updated: 2025-07-31
