Texas Instruments SN74AHCT374/SN74AHCT374-Q1 Octal D-Type Flip-Flops
Texas Instruments SN74AHCT374/SN74AHCT374-Q1 Octal D-Type Flip-Flops include 3-state outputs and eight D-type flip-flops. These flip-flops operate at a 4.5V to 5.5V supply voltage range, with low delay, 7.6ns at 5V, 15pF load, and support 130MHz at 5V, 15pF load. All channels share a rising-edge-triggered clock (CLK) input and an active-low Output Enable (OE) input. This device includes a flow-through pinout for easier bus routing and features TTL-compatible inputs. The SN74AHCT374-Q1 flip-flop device is AEC-Q100 qualified for automotive applications. This device is available in a wettable flank QFN package, and the latch-up performance exceeds 250mA per JESD 17. The SN74AHCT374/SN74AHCT374-Q1 flip-flop is ideal for parallel data synchronization, parallel data storage, shift registers, and pattern generators.
Features
- AEC-Q100 qualified for automotive applications (SN74AHCT374-Q1)
- -40°C to 125°C device temperature grade 1
- Device HBM ESD classification level 2
- Device CDM ESD classification level C4B
- Available in a wettable flank QFN package
- 4.5V to 5.5V VCC operating supply voltage range
- TTL-compatible inputs
- Low delay, 7.6ns at 5V, and 15pF load
- Supports 130MHz at 5V, 15pF load
- Latch-up performance exceeds 250mA per JESD 17
Applications
- Parallel data synchronization
- Parallel data storage
- Shift register
- Pattern generators
Functional Block Diagram
Electrical Placement of Clamping Diodes for Each Input and Output
Typical Characteristics Graph
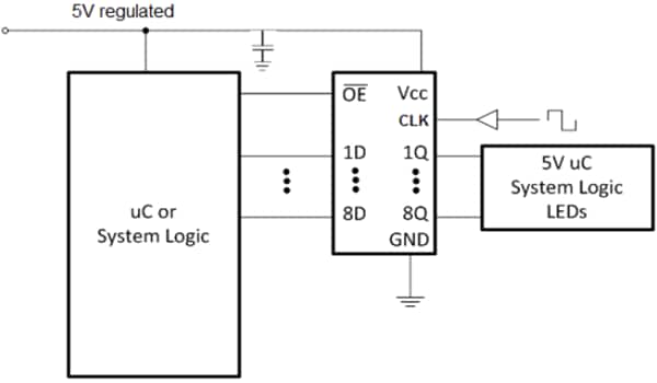
Typical Application Schematic
