Texas Instruments PGA849 Precision Programmable-Gain Amplifier

Texas Instruments PGA849 Precision Programmable-Gain Amplifier is a wide-bandwidth, low-noise programmable gain instrumentation amplifier (PGIA) for differential-to-single-ended conversion. The PGA849 has eight binary gain settings, from an attenuating gain of 0.125V/V to a maximum of 16V/V, using three digital gain selection pins.

The Texas Instruments PGA849 architecture is optimized to drive inputs of high-resolution, precision analog-to-digital converters (ADCs) with sampling rates up to 1MSPS without needing an additional ADC driver. The output-stage power supplies are decoupled from the input stage to protect the ADC or downstream devices against overdrive damage.

The super-beta input transistors offer an impressively low input bias current, providing a very low input current noise density of 0.3pA/√Hz, making the PGA849 a versatile choice for virtually any sensor type. The low-noise current-feedback front-end architecture offers exceptional gain flatness even at high frequencies, making the PGA849 an excellent high-impedance sensor readout device. Integrated protection circuitry on the input pins handles overvoltages of up to ±40V beyond the power-supply voltages.

Features

  • Differential to single-ended conversion
  • Eight pin-programmable binary gains of G (V/V) = 1/8, 1/4, 1/2, 1, 2, 4, 8, and 16
  • Low gain error drift of ±2ppm/°C (max.)
  • Faster signal processing
    • Wide bandwidth of 10MHz at all gains
    • High slew rate of 35V/µs at G ≥ ½ V/V
    • Settling time of 700ns to 0.01%, 950ns to 0.0015%
    • Input stage noise of 8.6nV/√Hz at G = 16V/V
    • Filter option to achieve better SNR
  • Input overvoltage protection to ±40V beyond supplies
  • Input-stage supply range
    • Single supply of 8V to 36V
    • Dual supply of ±4V to ±18V
  • Independent output power-supply pins
  • Output-stage supply range
    • Single supply of 4.5V to 36V
    • Dual supply of ±2.25V to ±18V
  • Specified temperature range of –40°C to +125°C
  • 3mm × 3mm QFN small package

Applications

  • Factory automation and control
  • Analog input module
  • Data acquisition (DAQ)
  • Test and measurement
  • Parametric measurement unit (PMU)

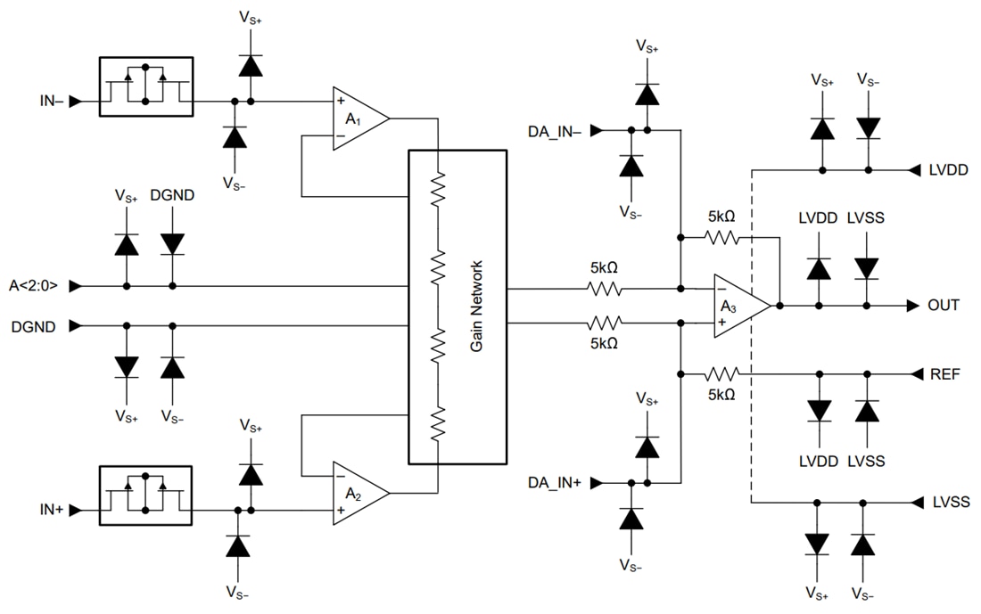
Functional Block Diagram

Block Diagram - Texas Instruments PGA849 Precision Programmable-Gain Amplifier
Published: 2025-02-04 | Updated: 2025-02-11