Texas Instruments DAC161P997 16-Bit Delta-Sigma DAC

Texas Instruments DAC161P997 is a 16-bit Delta-Sigma Digital-to-Analog Converter (DAC) for transmitting an analog output current over an industry-standard 4-20mA current loop. DAC161P997 DAC offers 16-bit accuracy with a low output current temperature coefficient (29ppm/°C) and excellent long-term output current drift (90ppmFS) while consuming less than 190μA. The data link to the DAC161P997 is a Single Wire Interface that allows sensor data to be transferred in digital format over an isolation boundary using a single isolation component. The digital input of this DAC is compatible with standard isolation transformers and optocouplers. For applications where isolation is not required, the DAC161P997 interfaces directly to a microcontroller. The loop drive of the DAC161P997 interfaces to a HART (Highway Addressable Remote Transducer) modulator, allowing injection of FSK modulated digital data into the 4-20mA current loop. This combination of specifications and features makes the Texas Instruments DAC161P997 ideal for 2- and 4-wire industrial transmitters.

Features

  • 16-bit linearity
  • Single-Wire Interface (SWIF), with a handshake
  • Digital Data transmission (no loss of fidelity)
  • Pin Programmable Power-Up Condition
  • Self-adjusting to the input data rate
  • Loop error detection and reporting
  • Programmable output current error level
  • No external precision components
  • Simple interface to HART modulator
  • Small package: LLP-16 (4x4 mm, 0.5 mm pitch)

Specifications

  • Output Current Temp Coefficient: 29ppmFS/°C (max)
  • Long-Term Output Current Drift: 90ppmFS (typ)
  • INL: +3.3/−2.1μA (max)
  • Total Supply Current: 190μA (max)

Applications

  • Two-wire, 4-20mA current loop transmitter
  • Industrial Process Control
  • Actuator control
  • Factory Automation
  • Building Automation
  • Precision Instruments
  • Data Acquisition Systems
  • Test Systems

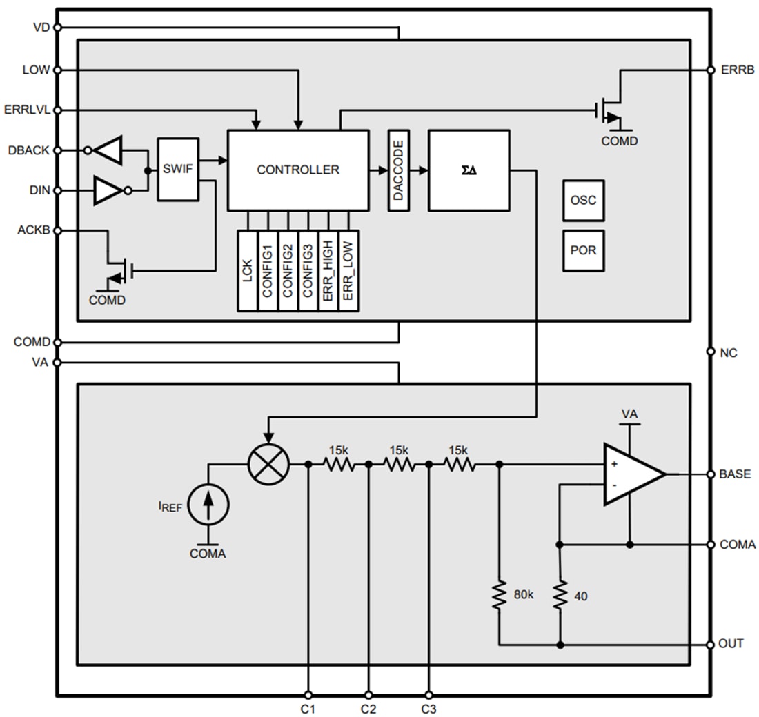
Functional Block Diagram

Block Diagram - Texas Instruments DAC161P997 16-Bit Delta-Sigma DAC
Published: 2012-03-05 | Updated: 2022-03-11