Texas Instruments MSP430FR2422 Ultra-Low Power Microcontrollers
Texas Instruments MSP430FR2422 Ultra-Low Power Microcontrollers (MCUs) are part of the MSP430™ value line microcontroller (MCU) portfolio, TI’s lowest cost family of MCUs for sensing and measurement applications. The MSP430FR2422 MCUs provide 8KB of non-volatile memory with an 8-channel 10-bit ADC. The architecture, FRAM, and integrated peripherals, combined with extensive low-power modes, are optimized to achieve extended battery life in portable and battery-powered sensing applications. These MCUs combine uniquely embedded FRAM and holistic ultra-low-power system architecture, allowing system designers to increase performance while lowering energy consumption. FRAM technology combines the low-energy fast writes, flexibility, and endurance of RAM with the non-volatility of flash.Features
- Embedded microcontroller
- 16-bit RISC architecture
- Clock supports frequencies up to 16MHz
- 2.0V to 3.6V wide supply voltage range
- Optimized ultra-low-power modes
- Active mode: 120µA/MHz (typical)
- Standby: LPM3.5, Real-Time Clock (RTC) counter with 32768Hz crystal: 710nA (typical)
- Shutdown (LPM4.5): 36nA without SVS
- Low-power Ferroelectric RAM (FRAM)
- Up to 7.5KB of non-volatile memory
- Built-in Error Correction Code (ECC)
- Configurable write protection
- Unified memory of program, constants, and storage
- 1015 write cycle endurance
- Radiation resistant and nonmagnetic
- High FRAM-to-SRAM ratio, up to 4:1
- High-performance analog
- Up to 8-channel 10-bit Analog-to-Digital Converter (ADC)
- Intelligent digital peripherals
- Enhanced serial communications with support for pin remap feature
- Clock System (CS)
- General input/output and pin functionality
- Package options
- 20-pin: VQFN (RHL)
- 16-pin: TSSOP (PW)
Applications
- Industrial sensors
- Battery packs
- Portable appliances
- Electric toothbrushes
- Low-power medical, health, and fitness
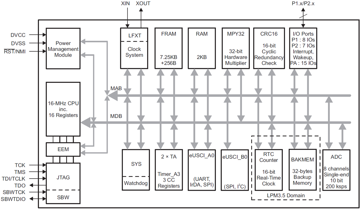
Functional Block Diagram
Published: 2018-06-12
| Updated: 2025-04-16
