Texas Instruments LMR3650x Synchronous Buck Converter
Texas Instruments LMR3650x Synchronous Buck Converter is a 65V, 150mA (available in 100mA variant) synchronous step-down DC/DC converter in a compact 4mm2 HotRod™ package. This easy-to-use converter provides excellent EMI performance, can handle input voltage transients up to 70V, provide excellent EMI performance, and supports fixed, 3.3V, 5V, and other adjustable output voltages.The Texas Instruments LMR3650x uses the peak current mode control architecture with internal compensation to maintain stable operation with minimal output capacitance. The LMR3650x, with the proper resistor selection from the RT pin to ground, can be externally programmed to any desired switching frequency of operation over a wide range from 200kHz to 2.2MHz. The precision EN/UVLO feature allows precise control of the device during the shutdown and start-up. The PGOOD flag, with a built-in glitch filter and delayed release, offers a true indication of the system status, eliminating the requirement for an external voltage supervisor. The rich feature set and compact solution size of LMR3650x simplify the implementation for various industrial applications.
Features
- Designed for rugged industrial applications
- Junction temperature range of –40°C to +150°C
- Input transient protection up to 70V
- Wide input voltage range of 3.0V (falling threshold) to 65V
- Minimized switch node ringing to reduce EMI
- Adjustable and fixed output 3.3V and 5V voltage options available
- Suited for scalable industrial power supplies
- Pin compatible with LMR36503 (65V, 300mA) and LMR36506 (65V, 600mA)
- An adjustable switching frequency of 200kHz to 2.2MHz with an RT pin variant
- Minimized solution size and cost
- Highest power density with internal compensation and reduced external component count
- Ultra-small, 2mm × 2mm HotRod™ package
- High efficiency across load range with low power dissipation
- Greater than 80% peak efficiency at 1MHz (3.3V VOUT)
Applications
- Factory automation
- Field transmitters
- Process sensors
- Appliances
- Garden tools
- Power tools
- Building automation
- HVAC
- Fire safety notification
- Fire detectorS
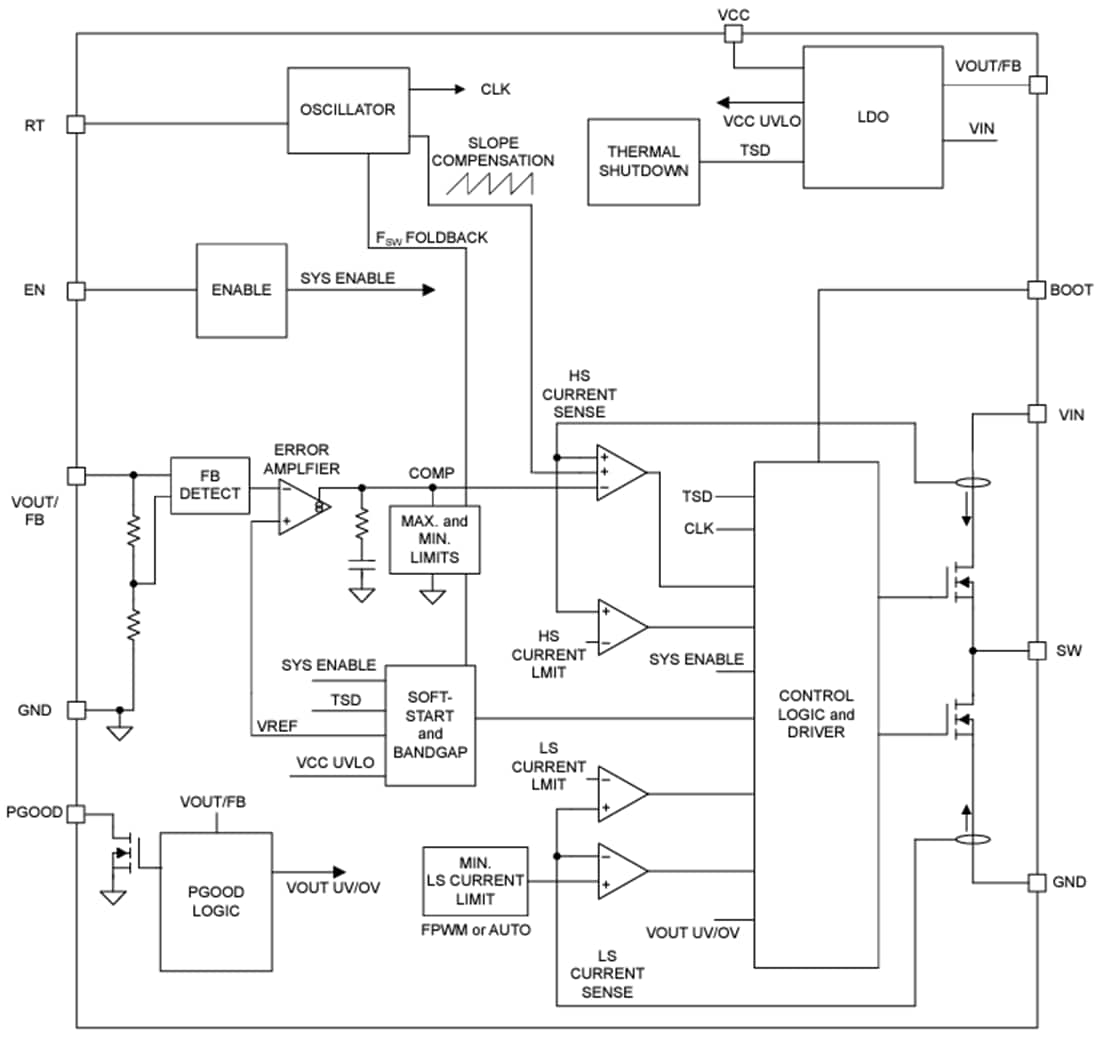
Functional Block Diagram
