Texas Instruments LMK00804B-Q1 Automotive LVCMOS Fanout Buffers
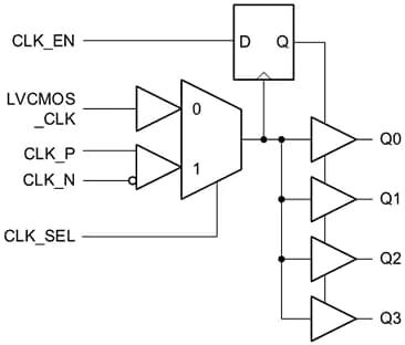
Texas Instruments LMK00804B-Q1 Automotive LVCMOS Fanout Buffers and Level Translators can distribute up to four LVCMOS/LVTTL outputs (3.3V, 2.5V, 1.8V, or 1.5V levels) from one of two selectable inputs that can accept differential or single-ended inputs. The clock enable input is synchronized internally to eliminate runt or glitch pulses on the outputs when the clock enable terminal is asserted or de-asserted. Texas Instruments LMK00804B-Q1 fanout buffers feature outputs held in a logic low state when the clock is disabled. The LMK00804B-Q1 also allows the distribution of a low-jitter clock across four transceivers and can improve the overall target detection and resolution in a cascaded mmWave radar system.Features
- AEC-Q100 qualified with the following results
- Device temperature grade 1 (-40°C to +125°C, TA)
- Four LVCMOS/LVTTL outputs supporting 1.5V to 3.3V levels
- Additive jitter: 0.1ps RMS (typical) at 40MHz
- Noise floor: -168dBc/Hz (typical) at 40MHz
- Output frequency: 350MHz (maximum)
- Output skew: 35ps (maximum)
- Part-to-part skew: 550ps (maximum)
- Two selectable inputs
- CLK_P, CLK_N pair accepts LVPECL, LVDS, HCSL, SSTL, LVHSTL, or LVCMOS/LVTTL
- LVCMOS_CLK accepts LVCMOS/LVTTL
- Synchronous clock enable
- Core/output power supplies
- 3.3V/3.3V
- 3.3V/2.5V
- 3.3V/1.8V
- 3.3V/1.5V
- 16-pin VQFN package
Applications
- Advanced Driver Assistance Systems (ADAS)
- Forward-facing long-range radar
- Medium/short-range radar
- Ultra short-range radar
Block Diagram
Published: 2019-10-14
| Updated: 2025-03-05
