Texas Instruments INA333/INA333-Q1 Instrumentation Amplifiers
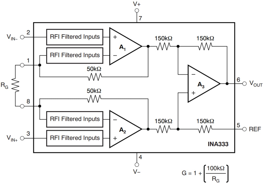
Texas Instruments INA333/INA333-Q1 Precision Instrumentation Amplifiers are low-power, precision instrumentation amplifiers that offer excellent accuracy. The versatile 3-operational amplifier design, small size, and low power make them ideal for a wide range of portable applications. A single external resistor sets any gain from 1 to 1000. The Texas Instruments INA333/INA333-Q1 is designed to use an industry-standard gain equation: G = 1 + (100kΩ/RG).The INA333/INA333-Q1 provides very low offset voltage (25µV, G ≥ 100), excellent offset voltage drift (0.1µV/°C, G ≥ 100), and high common-mode rejection (100dB at G ≥ 10). These devices operate with power supplies as low as 1.8V (±0.9V), and quiescent current is only 50µA, making them ideal for battery-operated systems. Using auto-calibration techniques to ensure excellent precision over the extended industrial temperature range, the INA333/INA333-Q1 also offers exceptionally low noise density (50nV/√Hz) that extends down to DC.
The INA333/INA333-Q1 is available in both 8-pin VSSOP and WSON surface-mount packages and is specified over the TA = –40°C to +125°C temperature range. The INA333-Q1 devices are AEC-Q100 qualified for automotive applications.
Features
- 25µV (maximum), G ≥ 100 low offset voltage
- 0.1µV/°C, G ≥ 100 low drift
- 50nV/√Hz, G ≥ 100 low noise
- 100dB (minimum), G ≥ 10 high CMRR
- 200pA (maximum) low input bias current
- 1.8V to 5.5V supply range
- (V–) +0.1V to (V+) –0.1V input voltage
- (V–) +0.05V to (V+) –0.05V output range
- 50µA low quiescent current
- –40°C to +125°C operating temperature
- RFI filtered inputs
- 8-pin VSSOP and 8-pin WSON packages
Applications
- Bridge amplifiers
- ECG amplifiers
- Pressure sensors
- Medical instrumentation
- Portable instrumentation
- Weigh scales
- Thermocouple amplifiers
- RTD sensor amplifiers
- Data acquisition
Functional Block Diagram
