Texas Instruments DRV81620-Q1 8-Channel Low & High-Side Driver

Texas Instruments DRV81620-Q1 8-Channel Low and High-Side Driver comes with protection and diagnostics. It is designed to control relays, LEDs, lamps, and motors. A serial peripheral interface (SPI) with a daisy chain controls and diagnoses the loads and the device. Two input pins with mapping functionality allow direct control of the outputs. The device supports Limp Home for fail-safe activation. Integrated PWM generators enable driving LEDs, and bulb inrush mode enables driving loads with large capacitance. The clamp circuits on each output dissipate the energy during the turning OFF of inductive loads.

The device supports various protection features such as undervoltage, overvoltage, short circuit, and open load detection. A high level of integration with embedded protection and diagnostic features make the Texas Instruments DRV81620-Q1 an excellent choice for automotive body and powertrain applications.

Features

  • AEC-Q100 qualified for automotive applications with a temperature grade 1 of –40°C to +125°C, TA
  • Functional safety-capable, with documentation to aid functional safety design
  • 3V to 40V analog supply voltage
    • Cranking capability down to 3V
    • Supports LV124 automotive standard
  • 3V to 5.5V digital supply voltage that is compatible with 3.3V and 5V microcontrollers
  • 42V minimum drain to source clamping voltage
  • -18V maximum source to ground clamping voltage
  • RDS(ON) of 700mΩ typical at 12V, 25°C
  • Current of 330mA per output at 85°C, with all channels ON
  • Two parallel inputs with mapping functionality
  • Fail-safe activation in Limp Home mode using nSLEEP and IN pins
  • Two independent internal PWM generators
  • Bulb Inrush Mode (BIM) to drive lamps for 2W/5W lamps and other capacitive loads
  • Low-current sleep mode, < 3µA for TJ ≤ 85°C
  • 16-bit SPI for control and diagnosis
    • Daisy chain capability
    • Compatible with 8-bit SPI devices
  • Supports various protection features
    • Reverse battery protection
    • Short circuit to ground and battery protection
    • Stable behavior at under-voltage conditions
    • Over-current latch OFF
    • Overtemperature warning
    • Thermal shutdown latch OFF
    • Overvoltage protection
    • Loss of battery and loss of ground protection
    • Electrostatic discharge (ESD) protection
  • Supports several diagnostic features
    • Diagnostic information via SPI register
    • Overload detection at the ON state
    • Open load detection in the ON and OFF states
    • Input and output status monitor

Applications

  • Zone Control Module (ZCM)
  • Automotive Body Control Module (BCM)
  • Automotive lighting
  • Gasoline and diesel engines
  • Vehicle Control Unit (VCU)
  • Programmable Logic Controller (PLC)

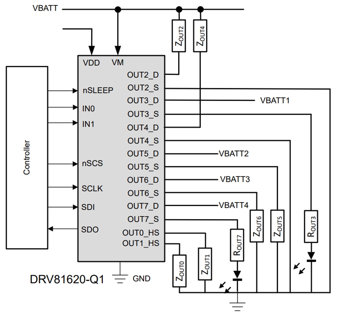
Simplified Schematic

Schematic - Texas Instruments DRV81620-Q1 8-Channel Low & High-Side Driver
Published: 2025-04-24 | Updated: 2025-05-05