Texas Instruments bq51013/bq51013-Q1 Wireless Power Supply Receivers

Texas Instruments bq51013/bq51013-Q1 Wireless Power Supply Receivers are advanced, integrated receiver ICs for wireless power transfer in portable applications. bq51013/bq51013-Q1 wireless power supply receivers provide the AC/DC power conversion while integrating the digital control required to comply with the Qi v1.0 communication protocol. The bq500110 transmitter controller and the bq51013/bq51013-Q1 enable a complete contact-less power transfer system for a wireless power supply solution. Texas Instruments bq51013/bq51013-Q1 wireless power supply receivers provide 93% overall peak AC-DC efficiency. These devices are designed for use in various applications, including WPC compliant receivers, cell phones and smartphones, headsets, digital cameras, portable media players, and hand-held devices. The bq51013-Q1 devices are AEC-Q100 qualified for automotive applications.

Features

  • Integrated wireless power receiver solution with a 5V regulated supply
  • 93% Overall peak AC-DC efficiency 
  • Full synchronous rectifier
  • WPC v1.0 compliant communication control
  • Output voltage conditioning
  • Only IC required between RX coil and 5VDC output voltage
  • Dynamic rectifier control for improved load transient response
  • Supports 20V maximum input
  • Low-power dissipative rectifier overvoltage clamp (VOVP = 15V)
  • Thermal shutdown
  • Single NTC/control pin for optimal safety and I/O between host
  • Stand-alone digital controller
  • 1.9mm × 3mm DSBG or 4.5mm × 3.5mm QFN package

Applications

  • WPC compliant receivers
  • Cell phones, smart phones
  • Headsets
  • Digital cameras
  • Portable media players
  • Hand-held devices

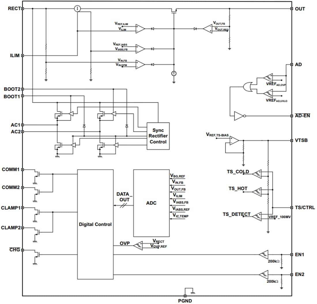
Simplified Block Diagram

Block Diagram - Texas Instruments bq51013/bq51013-Q1 Wireless Power Supply Receivers
Published: 2011-06-22 | Updated: 2022-03-11