Texas Instruments BQ25758 Bidirectional Buck-Boost Controller

Texas Instruments BQ25758 Bidirectional Buck-Boost Controller provides high-efficiency power conversion over a wide voltage range with output CC-CV control. The wide input voltage, bidirectional switched-mode buck-boost BQ25758 controller integrates all the loop compensation for the converter, providing ease of use in a high-density solution. In reverse mode, the BQ25758 draws power from the output supply and regulates the input terminal voltage with an added constant current loop for protection.

The TI BQ25758 Bidirectional Buck-Boost Controller features an I2C host-controlled mode and supports programmable hardware limits. A single resistor on the IIN and IOUT pins can set input and output current regulation targets. By default, the BQ25758 is programmed to supply 5V output, and the target output voltage can be adjusted through the VOUT_REG register bits.

Features

  • Wide input voltage operating range of 4.2V to 60V
  • Synchronous buck-boost DC/DC controller with NFET drivers
    • Adjustable switching frequency from 200kHz to 600kHz
    • Optional synchronization to an external clock
    • Integrated loop compensation with soft start
    • Selectable PFM operation for light load efficiency improvement (PFM or forced PWM option)
    • Optional gate driver supply input for optimized efficiency
  • Support USB-PD Extended Power Range (EPR) in forward and reverse power direction
    • Adjustable input and output voltage regulation from 3.3V to 60V with 20mV/step
    • Adjustable input and output current regulation (RAC_SNS, ROUT_SNS) from 400mA to 20A with 50mA/step using 5mΩ resistor
  • Bypass mode for highest efficiency with VOUT = VAC
  • Integrated 16-bit ADC for voltage, current, and temperature monitoring
  • Buck-only mode
  • High accuracy
    • ±2% output voltage regulation
    • ±3% output current regulation
    • ±2% input voltage regulation
    • ±3% input current regulation
  • I2C controlled for optimal system performance with a resistor-programmable option
    • Hardware adjustable input and output current limits
  • High safety integration
    • Adjustable input overvoltage and undervoltage protection
    • Output overvoltage and overcurrent protection
    • Thermal shutdown
  • Status outputs
    • Adapter present status (PG)
    • Switcher operation status (STAT)
  • 36-pin 5mm × 6mm QFN package

Applications

  • Docking station
  • Monitor
  • USB-PD EPR (Extended Power Range)
  • Buck-Boost and Buck-only operation

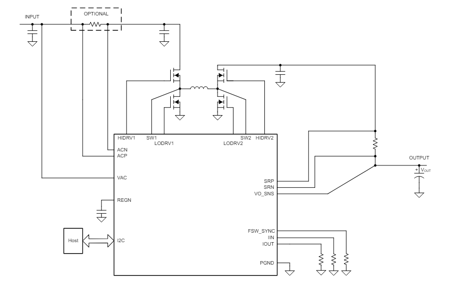
Simplified Schematic

Schematic - Texas Instruments BQ25758 Bidirectional Buck-Boost Controller

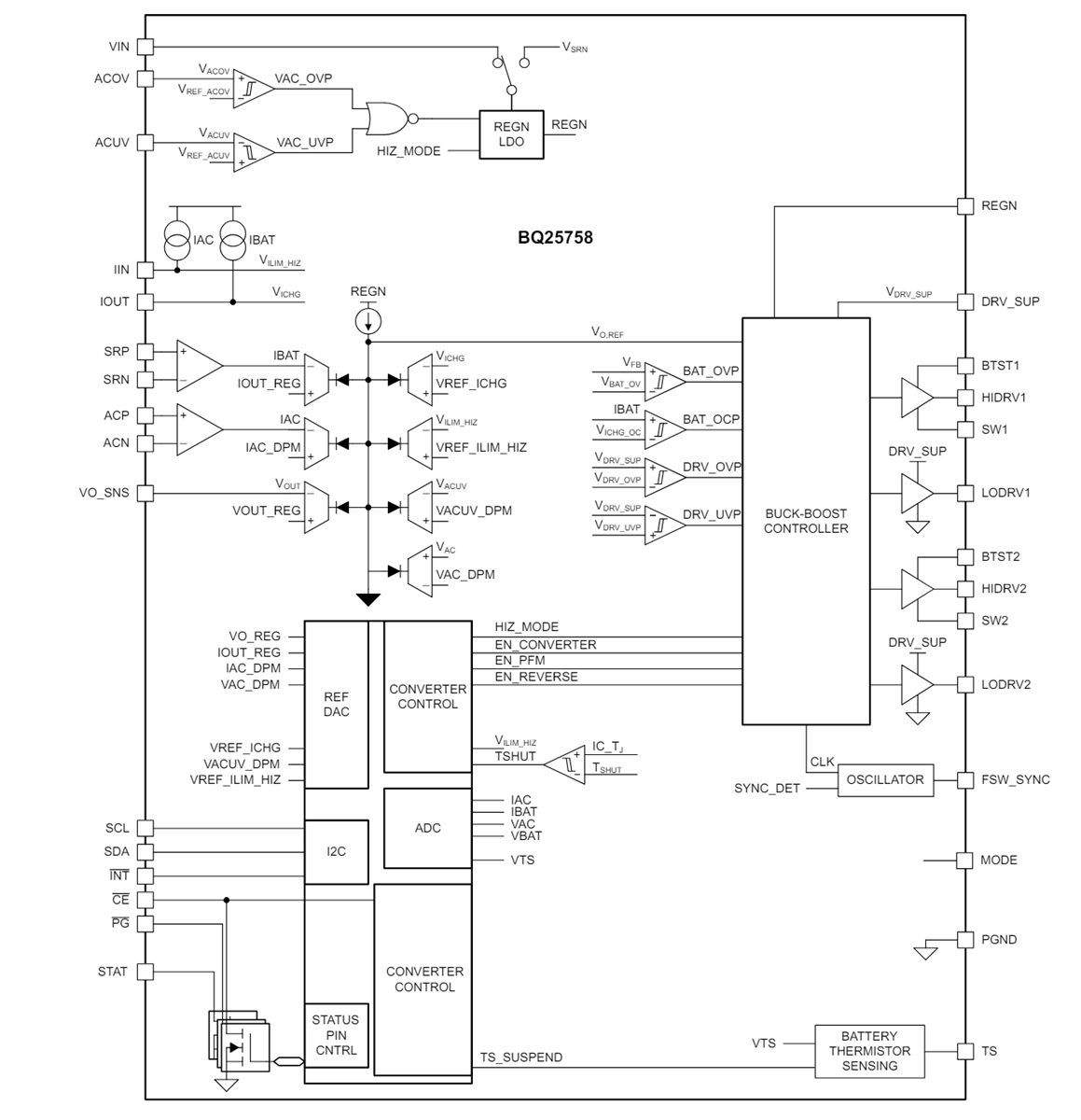
Functional Block Diagram

Block Diagram - Texas Instruments BQ25758 Bidirectional Buck-Boost Controller
Published: 2024-05-13 | Updated: 2025-07-24