Texas Instruments bq25756 Buck-Boost Charge Controller

Texas Instruments bq25756 Buck-Boost Charge Controller is a wide input voltage, switched-mode buck-boost Li-Ion, Li-polymer, or LiFePO4 battery charge controller with bidirectional power flow support. The device offers high-efficiency battery charging over a wide voltage range, accurate charge current and charge voltage regulation, and automatic charge preconditioning, termination, and charge status indication. The device integrates all the loop compensation for the buck-boost converter, providing a high-density solution with ease of use. In reverse mode, the device draws power from the battery. It regulates the input terminal voltage with an added constant current loop for protection, supporting the USB-PD EPR power profile.

Besides the I2C host-controlled charging mode, the Texas Instruments bq25756 also supports a standalone charging mode via resistor programmable limits. Input current, charge current, and charge voltage regulation targets can be set via the ILIM_HIZ, ICHG, and FB pins, respectively.

Features

  • Wide input voltage operating range: 4.2V to 70V
  • Wide battery voltage operating range: up to 70V with multi-chemistry support:
    • 1- to 14-cell Li-ion charge profile
    • 1- to 16-cell LiFePO4 charge profile
  • Synchronous buck-boost charge controller with NFET drivers
    • Adjustable switching frequency from 200kHz to 600kHz
    • Optional synchronization to external clock
    • Integrated loop compensation with soft start
    • Optional gate driver supply input for optimized efficiency
  • Automatic maximum power point tracking (MPPT) for solar charging
  • Buck-only mode
  • Bidirectional converter operation (Reverse Mode) supporting USB-PD Extended Power Range (EPR)
    • Adjustable input voltage (VAC) regulation from 3.3V to 65V with 20mV/step
    • Adjustable input current regulation (RAC_SNS) from 400mA to 20A with 50mA/step using 5mΩ resistor
  • High accuracy
    • ±0.5% charge voltage regulation
    • ±3% charge current regulation
    • ±3% input current regulation
  • I2C controlled for optimal system performance with a resistor-programmable option
    • Hardware adjustable input and output current limits
  • Integrated 16-bit ADC for voltage, current, and temperature monitoring
  • High safety integration
    • Adjustable input overvoltage and undervoltage protection
    • Battery overvoltage and overcurrent protection
    • Charging safety timer
    • Battery short protection
    • Thermal shutdown
  • Status outputs
    • Adapter present status (PG)
    • Charger operation status (STAT1, STAT2)
  • 36-pin 5mm × 6mm QFN package

Applications

  • Kick eScooter, eBike
  • Cordless power tool, Garden tool
  • Robotic lawn mower
  • Portable power station
  • Cordless vacuum cleaner, Vacuum robot
  • Solar charger
  • USB-PD EPR (Extended Power Range)

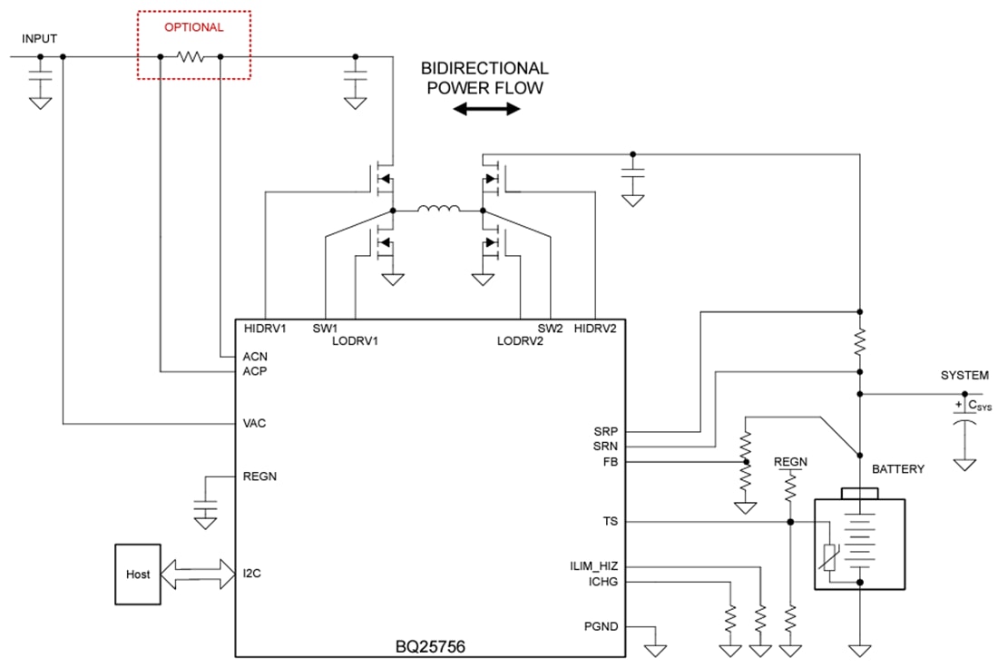
Simplified Schematic

Schematic - Texas Instruments bq25756 Buck-Boost Charge Controller
Published: 2023-10-18 | Updated: 2024-01-15