Texas Instruments bq25180 Linear Battery Charger

Texas Instruments bq25180 Linear Battery Charger focuses on a small solution size and low quiescent current for extending battery life. The device is available in an 8-ball chip-scale package that does not need the HDI PCB process for fabrication, reducing the PCB cost. The device can support up to 1A charging and system loads of up to 2.5A.

The battery is charged using a standard Li-ion or LiFePO4 charge profile with three phases: precharge, constant current, and constant voltage. Thermal regulation provides the maximum charge current while managing the device temperature. The charger is also optimized for a battery to battery charging with 3V minimum input voltage operation and can withstand 25V absolute maximum line transients. The Texas Instruments bq25180 integrates a single push-button input and reset circuitry to reduce the total solution footprint.

Features

  • 1A Power path linear battery charger
    • 3.0V to 5.9V input voltage operating range optimized for a battery to battery charging and USB adapter
    • 25V tolerant input voltage
    • Configurable battery regulation voltage with 0.5% accuracy from 3.6V to 4.65V in 10mV steps
    • 5mA to 1A configurable fast charge current
    • 55mΩ battery FET ON resistance
    • Up to 2.5A discharge current to support high system loads
    • Configurable termination current down to 0.5mA
    • Configurable NTC charging profile thresholds, including JEITA support
    • Power cycle and advanced reset mechanisms to recover the system
  • Power path management for powering the system and charging the battery
    • Regulated system voltage (SYS) ranging from 4.4V to 4.9V in addition to battery voltage tracking and input pass-through options
    • Configurable input current limit
    • Selectable adapter or battery power for the system
    • Dynamic power path management optimizes charging from weak adapters
  • Ultra-low quiescent current modes
    • 15nA Shutdown mode
    • 3.2µA Ship mode with button press wake
    • 3µA in battery Only mode
    • 30µA input adapter Iq in Sleep mode
  • One push-button wake-up and reset input
  • Integrated fault protection
    • Input overvoltage protection (VIN_OVP)
    • Battery undervoltage protection (VBUVLO)
    • Battery short protection (BATSC)
    • Battery overcurrent protection (BATOCP)
    • Input current limit protection (ILIM)
    • Thermal regulation (TREG) and thermal shutdown (TSHUT)
    • Battery thermal fault protection (TS)
    • Watchdog and safety timer fault
    • System short protection
    • System overvoltage protection

Applications

  • TWS headset and charging case
  • Smart glasses, AR and VR
  • Smartwatches and other wearable devices
  • Retail automation and payment
  • Building automation

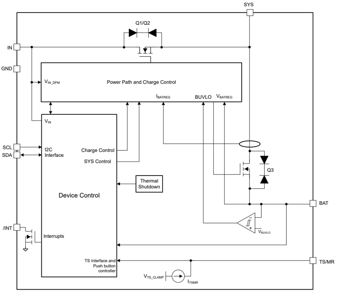
Functional Block Diagram

Block Diagram - Texas Instruments bq25180 Linear Battery Charger
Published: 2022-03-01 | Updated: 2024-01-03