TE Connectivity / Schaffner FN9274 Medical Class II IEC Inlet Filters
TE Connectivity / Schaffner FN9274 Medical Class II IEC Inlet Filters are designed to comply with Class II ME equipment. TE Connectivity / Schaffner FN9274 IEC Inlet Filters incorporate an EMC filter into a C18 IEC inlet that offers excellent filter attenuation in compact housing. The filters are available with two connection variants on the load side. The cable version is touch-safe by default. The pins of the fast-on version are recessed in the plastic housing. The fast-on version can achieve Class II compliance in combination with insulated crimp connectors. The series fulfills the requirements for 2xMOPP in IEC 60601-1:2005 +A1 regarding leakage currents, insulation and air clearance, creepage distances, and ball pressure tests.Features
- Suitable for class II Medical Equipment (ME)
- Fulfills the requirements for 2xMOPP in IEC 60601-1 - Medical electrical equipment
- Fulfills the requirements in IEC/EN 62368-1 - Audio/video, information and communication technology equipment
- Fulfills the requirements in IEC/EN 60950-1 - Information technology equipment
- Fulfills the requirements in IEC/EN 60335-1 - Household and similar electrical appliances
- Fulfills the requirements for Reinforced Insulation in IEC 61010-1 - Safety requirements
- All versions certified according UL/IEC 60939-3, C22.2 No. 8. CQC/CCC GB/T15287 and GB/T15288
Applications
- General medical devices (MDD)
- In-vitro diagnostic medical devices (IVDD)
- Test and measurement equipment
- Portable electrical and electronic equipment
- Single-phase power supplies, switch-mode power supplies (SMPS)
- Audio / video / communication equipment (IEC/UL 62368-1)
Specifications
- 250VAC, 50Hz/60Hz maximum continuous operating voltage
- 1A to 15A at +40°C maximum rated current
- DC to 400Hz operating frequency
- IP40, according to IEC 60529 (front side, with inserted plug)
- -40°C to +100°C operating temperature range
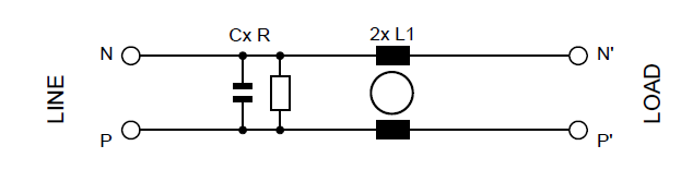
Electrical Schematic
Published: 2020-09-14
| Updated: 2025-04-22
