TDK-Lambda RSEV EMC Filters

TDK-Lambda RSEV 6A to 30A, 250VAC EMC Filters are integrated terminal blocks with captive screws. RSEV EMC Filters offer 60Hz frequency and reduced size compared to other TDK-Lambda filters. The recessed screws require no terminal cover. The captive connection screws protect the hardware. Applications include telecom/datacom, industrial, and test and measurement.

Features

  • Integrated terminal block with captive screws
  • Compact size
  • Conforms to UL, CSA, and EN Safety Agency Certifications

Applications

  • Telecom/datacom
  • Industrial
  • Test and measurement

Specifications

  • 250VAC input voltage
  • 6A to 30A current rating
  • 60Hz frequency
  • -25 to +85C operating temperature range

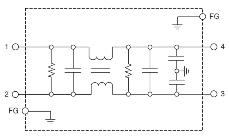
Circuit Diagram

Application Circuit Diagram - TDK-Lambda RSEV EMC Filters
Published: 2018-02-20 | Updated: 2023-01-16