Skyworks Solutions Inc. Si53340-45 LVDS Fanout Clock Buffers
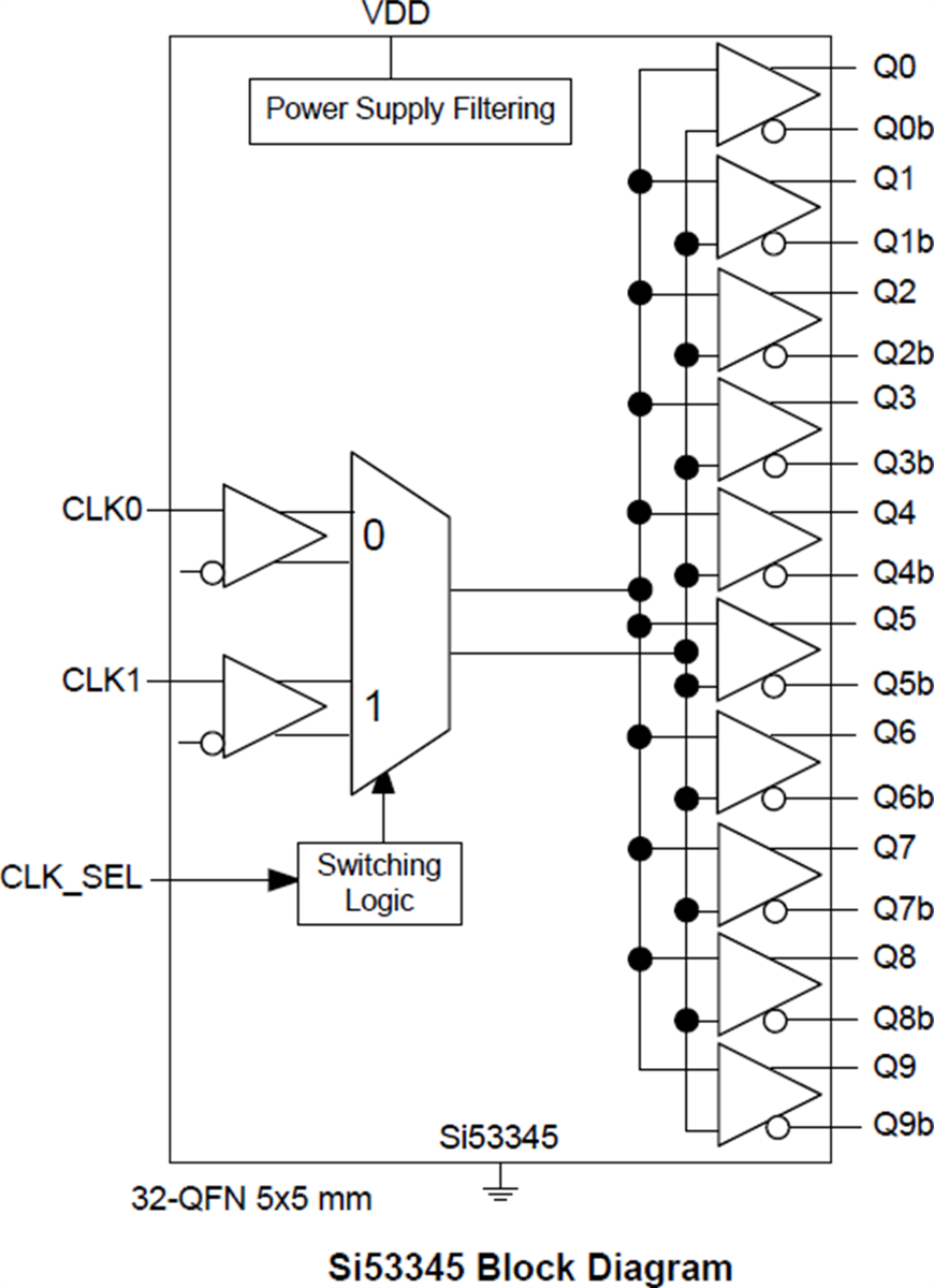
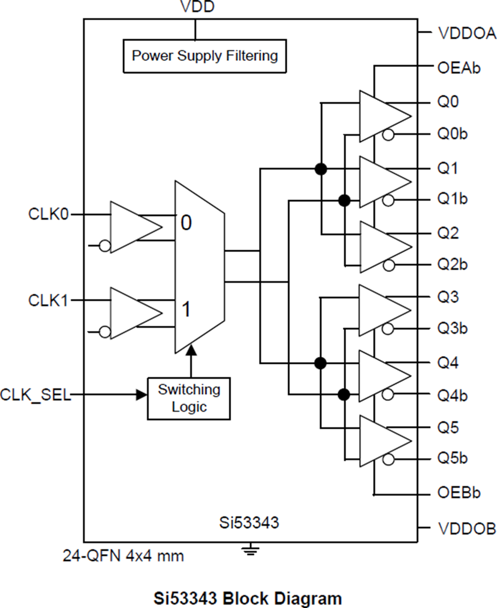
Skyworks Solutions Inc. Si53340-45 LVDS Fanout Clock Buffers are optimized for clock/data distribution and redundant clocking applications. The Si53340-45 Buffers provide a typical ultra-low jitter of 50fs and operate over a wide DC to 1250MHz frequency range. These devices feature minimal cross-talk and offer superior supply noise rejection, simplifying low jitter clock distribution in noisy environments. Independent core and output bank supply pins provide integrated level translation without the need for external circuitry.The Si53340-45 Buffers are available in multiple configurations and offer a selectable input clock using a 2:1 input mux. Other features include an independent output enable and built-in format translation. These devices can be paired with the Si534x clocks and Si5xx oscillators to deliver end-to-end clock tree performance.
The Skyworks Solutions Inc. Si53340-45 LVDS Fanout Clock Buffers are housed in compact QFN-16 (Si53340 and Si53341), QFN-24 (Si53342 and Si53343), and QFN-32 (Si53344 and Si53345) packages ideal for space-constrained applications.
Features
- Ultra-low 50fs rms additive jitter
- Built-in LDOs for high PSRR performance
- Up to 10 LVDS outputs
- Any-format outputs (LVPECL, Low-Power LVPECL, LVDS, CML, HCSL, LVCMOS)
- Wide DC to 1250MHz frequency range
- Output Enable option
- Multiple configuration options
- 2:1 Input Mux
- -40°C to +85°C operating temperature range
- Package options
- Si53340 and Si53341: 3mm x 3mm QFN-16
- Si53342 and Si53343: 4mm x 4mm QFN-24
- Si53344 and Si53345: 5mm x 5mm QFN-32
- RoHS compliant and Pb-free
Applications
- Clock signal fanout, format conversion, frequency conversion, frequency division, and skew adjustment
- Processors, Network Processing Units (NPUs), and Field Programmable Gate Arrays (FPGAs)
- High-speed ADCs and DACs, PCIe interface devices, Ethernet switches, and PHYs
- Clock trees for optical, Optical Transport Network (OTN), Synchronous Optical Network (SONET), and Synchronous Digital Hierarchy (SDH)
- Wavelength Division Multiplexing (WDM), storage, networking, and broadcast video applications
Published: 2022-05-18
| Updated: 2022-05-30
