Apogee Semiconductor APIO16 Rad-Hard I/O Expander

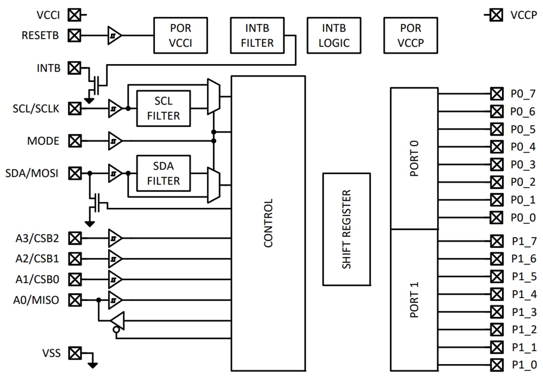
Apogee Semiconductor APIO16 Rad-Hard I/O Expander provides robust and flexible I/O expansion capabilities with voltage level translation, ensuring reliable operation across varying supply voltages. The architecture supports two independent supply rails: VCCI powers the serial interface logic, while VCCP powers the I/O ports. This separation enables seamless interfacing between low-voltage microcontrollers and higher-voltage peripherals. The Apogee Semiconductor APIO16 implements an SMBus-compatible I2C or SPI-based serial bus with two 8-bit ports that an external host can control or read on the bus.

Features

  • Supports SPI (25MHz) and I2C (1MHz)/SMBus
  • Interface rail (VCCI) and port rail (VCCP) operating from 1.4V to 5.5V
  • Level translation
  • Internal power-on reset (POR)
  • Open-drain INTB pin to alert the controller when inputs change
  • Cold spareable I/Os with zero power penalty
  • Built-in triple redundancy
  • TID resilience of 30krad (Si) and 300krad (Si) variants
  • SEL/SEU/SEFI immune up to LET of 75MeV-cm2/mg
  • Four address pins yielding 16x unique I2C addresses
  • Six SEU-immune 8-bit data registers
  • Flexible fast comms interface
  • Built-in up/down level translation suitable for modern FPGAs (XPIO)
  • Enables a below-rated voltage of COTS FPGAs to mitigate SEL sensitivity
  • Ensures reliable power-up/-down responses during hot plug and cold sparing operations
  • Fault detection and containment
  • Simplifies cold-sparing implementations
  • Radiation-hardened against Single Event Effect (SEE)
  • Suitable solutions for both LEO and GEO missions
  • Allows up to 256x control channels on one 2-wire I2C bus
  • Enables up to 768-bits of critical system data storage on a single I2C bus

Applications

  • Remote command and control of telemetry systems
  • Monitoring faults and alerting the control system through interrupt
  • Reduction of board and wiring loom mass through a common serial bus
  • Critical system configuration storage

Functional Block Diagram

Block Diagram - Apogee Semiconductor APIO16 Rad-Hard I/O Expander
Published: 2025-05-27 | Updated: 2025-06-10