ROHM Semiconductor RB-D62Q1729GA64 Reference Board

ROHM Semiconductor RB-D62Q1729GA64 Reference Board, featuring the LAPIS ML62Q1729 CMOS 16-bit RISC MCU, is a versatile and efficient platform for developing advanced embedded systems. The ML62Q1729 MCU delivers robust performance with a 16-bit RISC architecture, combining low power consumption and high processing efficiency. Integrated peripherals, including ADC, UART, SPI, I2C, and PWM, provide flexibility for applications requiring precise control, sensor interfacing, and communication.

The ROHM Semiconductor RB-D62Q1729GA64 reference board is ideal for industrial automation, IoT devices, smart home systems, automotive subsystems, and portable medical devices. The board offers a reliable foundation for prototyping and developing energy-efficient embedded solutions. With a compact design and extensive development support, the RB-D62Q1729GA64 empowers developers to create innovative, cost-effective applications across various domains.

Features

  • Provided with the LAPIS ML62Q1729 CMOS 16-bit RISC MCU, 64-pin QFP
  • Mounted with the linked connector to EASE1000
  • Through-holes for connecting the pins of LSI to external peripheral boards
  • Selectable power supply, supplied from the on-chip emulator EASE1000 or CN1_3pin/CN2_2pin
  • Mounted with LEDs (P20, P21, P22)
  • Mounted with a 32.768KHz crystal
  • Low power consumption
  • Internal flash memory and RAM
  • Flexible I/O and communication interfaces
  • Real-time processing
  • 1.6V to 5.5V operating supply range
  • Compact form factor, 56mm x 94mm x 15mm (WxDxH) size

Applications

  • Industrial automation
  • Internet of Things (IoT) devices
  • Automotive applications
  • Smart home and consumer electronics
  • Healthcare and portable medical devices
  • Embedded systems

Overview

Location Circuit - ROHM Semiconductor RB-D62Q1729GA64 Reference Board

Power Circuit

Location Circuit - ROHM Semiconductor RB-D62Q1729GA64 Reference Board

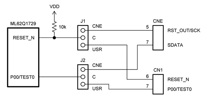
EASE1000 Interface

Location Circuit - ROHM Semiconductor RB-D62Q1729GA64 Reference Board

PCB Layout

Mechanical Drawing - ROHM Semiconductor RB-D62Q1729GA64 Reference Board
Published: 2024-12-27 | Updated: 2025-01-06