ROHM Semiconductor RB-D62Q1335TD20 Reference Board
ROHM Semiconductor RB-D62Q1335TD20 Reference Board is designed to showcase the capabilities of the LAPIS ML62Q1335 16-bit RISC CMOS microcontroller optimized for low-power and high-performance embedded applications. This reference board provides a versatile platform for developers to quickly evaluate and prototype systems requiring efficient processing and real-time control. Powered by the ML62Q1335 MCU, the board offers low power consumption, making it ideal for battery-operated devices. It includes internal flash memory and RAM, along with support for external memory for larger applications.The ROHM Semiconductor RB-D62Q1335TD20 board features a range of I/O interfaces, including digital I/O, ADC, and communication protocols such as UART, SPI, and I2C, enabling easy integration with external peripherals. Its real-time processing capabilities make it suitable for time-sensitive applications, while the compact design is perfect for space-constrained systems. With development tools, example code, and debugging interfaces provided, the RB-D62Q1335TD20 reference board accelerates the development of applications in industrial automation, consumer electronics, and automotive systems, offering a reliable and energy-efficient solution.
Features
- Provided with LAPIS ML62Q1335 CMOS 16-bit RISC MCU, 20-pin TSSOP
- Mounted with the linked connector to EASE1000
- Through-holes for connecting the pins of LSI to external peripheral boards
- Selectable power supply, supplied from the on-chip emulator EASE1000 or CN1_3pin/CN2_2pin
- Mounted LED (P20, P21, P22)
- Low power consumption
- Integrated flash memory and RAM
- Variety of I/O interfaces
- Real-time processing capabilities
- 1.6V to 5.5V operating supply range
- Compact form factor, 56mm x 94mm x 15mm (WxDxH) size
Applications
- Industrial automation
- Consumer electronics
- Automotive systems
- Sensor networks
Overview
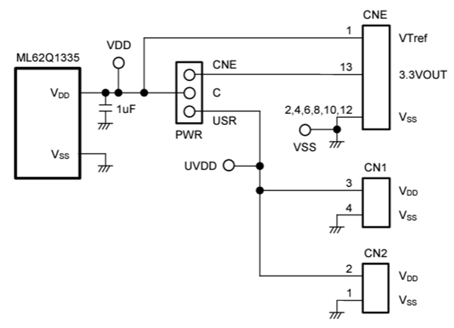
Power Circuit
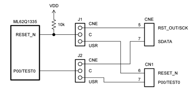
EASE1000 Interface
PCB Layout
Published: 2024-12-23
| Updated: 2024-12-30
