Renesas Electronics RAA210130 PMBus DC/DC Step-Down Power Supply
Renesas Electronics RAA210130 PMBus DC/DC Step-Down Power Supply is a compact, single-channel, synchronous step-down, non-isolated complete digital power module. This power supply module is capable of delivering up to 30A of continuous current from a compact thermally enhanced BGA package. The RAA210130 power supply operates within the 4.75V to 15V input voltage range, offers adjustable output voltages down to 0.45V, and achieves up to 96% efficiency. This PMBus DC/DC step-down power supply incorporates an advanced proprietary Renesas digital synthetic current modulation scheme. This scheme achieves industry-leading combination of transient response, ease of tuning, and efficiency across the full load range.The RAA210130 power supply module supports advanced soft-start/stop, sequencing, and margining with completely customizable over/under voltage, current, and temperature protections. Typical applications include servers, telecommunications, storage, data communications, industrial/ATE and networking equipment, and general-purpose power for ASIC, FPGA, DSP, and memory.
Features
- Complete digital power supply
- 30A single channel output current:
- 4.75V to 15V single rail input voltage
- Up to 96% efficiency
- Advanced linear digital modulation scheme:
- Up to 1.25MHz fixed switching frequency operations
- Dual edge modulation with optional diode braking for faster transient response
- Excellent VOUT transition performance
- Advanced soft-start/stop, sequencing, and margining
- Complete customizable over/under voltage, current, and temperature protections
- Programmable output voltage:
- 0.45V to 3.3V output voltage settings
- ±0.7% accuracy over line, load, and temperature
- PMBus V1.3 compatible:
- Fully programmable through PMBus
- Up to 16 user configurations stored in device Non-Volatile Memory (NVM)
- Real-time telemetry for VIN, VOUT, IOUT, temperature, duty cycle, and fSW
- Black Box status recording with first fault indicator
- 10mm x 13mm x 7.8mm BGA package
Applications
- Server, telecommunications, storage, and data communications
- Industrial/ATE and networking equipment
- General purpose power for ASIC, FPGA, DSP, and memory
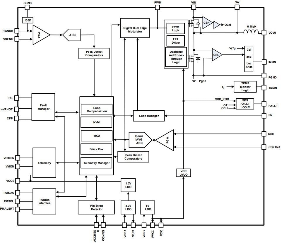
Block diagram
Published: 2023-05-29
| Updated: 2023-05-29
