Qorvo QPC6014PCK401 Evaluation Board

Qorvo QPC6014PCK401 Evaluation Board is a PCBA board designed to evaluate the QPC6014 absorptive switch. This evaluation board operates at a temperature range of -40°C to +105°C and frequency range of 5MHz to 6000MHz. The Qorvo QPC6014 is ideal for test equipment, high-performance communication systems, and cellular applications.

Applications

  • Cellular, 3G, and LTE infrastructure
  • High-performance communication systems
  • Test Equipment

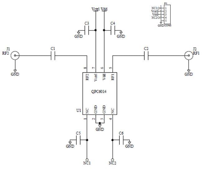
Application Circuit

Application Circuit Diagram - Qorvo QPC6014PCK401 Evaluation Board
Published: 2016-08-28 | Updated: 2022-03-11