Omron Electronics G3VM-QR MOSFET Relay
Omron Electronics G3VM-QR MOSFET Relay features low off-state capacitance, low ON resistance, and can support 400mA maximum switching at 60V. The G3VM-QR is a compact, lightweight relay that comes in a 1.3mm x 2mm x 1.45mm S-VSON (L) package. Additional benefits include a fast switching speed, clean signal transfer, and higher density flexibility due to the -40°C to +110°C ambient temperature range. Omron Electronics G3VM-QR MOSFET Relay is suitable for semiconductor test equipment, communication equipment, power supplies, and data loggers.Features
- Compact, lightweight design
- Excellent output characteristics
- Rapid response
- High-temperature capability
- Clean signal transfer
- Allows for high design flexibility
Applications
- Power supplies
- Semiconductor test equipment
- Communication equipment
- Test and measurement equipment
- Data loggers
Specifications
- 1.3mm x 2mm x 1.45mm S-VSON (L) package
- 60V load voltage
- 400mA continuous load current
- 1.5Ω maximum resistance with output ON (RON)
- 12pF capacitance between terminals
- 0.25ms turn-ON time maximum
- 0.2ms turn-OFF time maximum
- Surface-mounting terminals
- -40°C to +110°C ambient temperature range
Case & Mounting Pad Dimensions
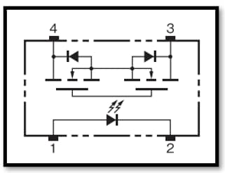
Terminal Arrangements/Internal Connection
Published: 2024-09-19
| Updated: 2025-04-25
