onsemi NCV12711 Current Mode PWM Controller

onsemi NCV12711 Current Mode PWM Controller is a fixed-frequency peak-current-mode device furnishing all of the features required for implementing single-ended power converter topologies. The NCV12711 has an operating voltage of 4V to 45V without auxiliary winding and within its thermal capabilities. The NCV12711 comprises a programmable oscillator that operates from 100kHz to 1MHz and integrates slope compensation to prevent subharmonic oscillations.

The onsemi NCV12711 Current Mode PWM Controller incorporates a programmable soft-start, input voltage UVLO protection, and over-power protection (OPP) circuit, which limits the total power capacity of the circuit as the input voltage increases. Additionally, the NCV12711 encompasses a suite of protection features, including cycle-by-cycle peak-current limiting with smooth frequency increase and timer-based overload protection. All protection features place the controller into a low quiescent fault mode with a 1s auto-recovery period to permit system recovery if the fault condition is removed.

Features

  • Wide VCC input range (4V to 45V)
  • Internal 7.5V regulator
  • Current−mode control with adjustable slope compensation
  • 0% Duty ratio operation in no-load condition
  • Internal over power protection
  • Single resistor programmable oscillator 100kHz to 1MHz
  • Adjustable soft-start on peak current and frequency
  • Programmable input voltage UVLO with Hysteresis
  • Shutdown threshold for external disable
  • Overload protection with 30ms overload timer
  • Internal operational amplifier
  • Fault auto-recovery mode with 1s auto-recovery period
  • ±1A Source / Sink gate driver
  • NCV Prefix for automotive and other applications requiring unique site and control change requirements; AEC−Q101 qualified and PPAP capable

Applications

  • Single-ended flyback and forward converters for electric vehicles
  • Automotive 4V to 45V input DC/DC controller for auxiliary power

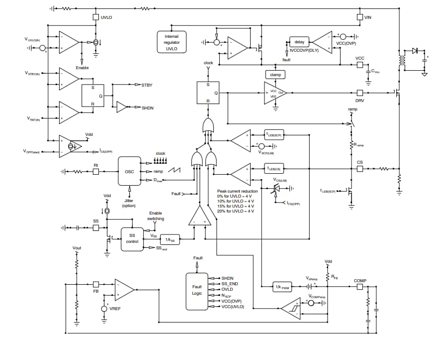
Block Diagram

Block Diagram - onsemi NCV12711 Current Mode PWM Controller

Application Schematics

Schematic - onsemi NCV12711 Current Mode PWM Controller
Published: 2022-08-22 | Updated: 2022-10-13