onsemi NFAx 600V Intelligent Power Modules (IPM)
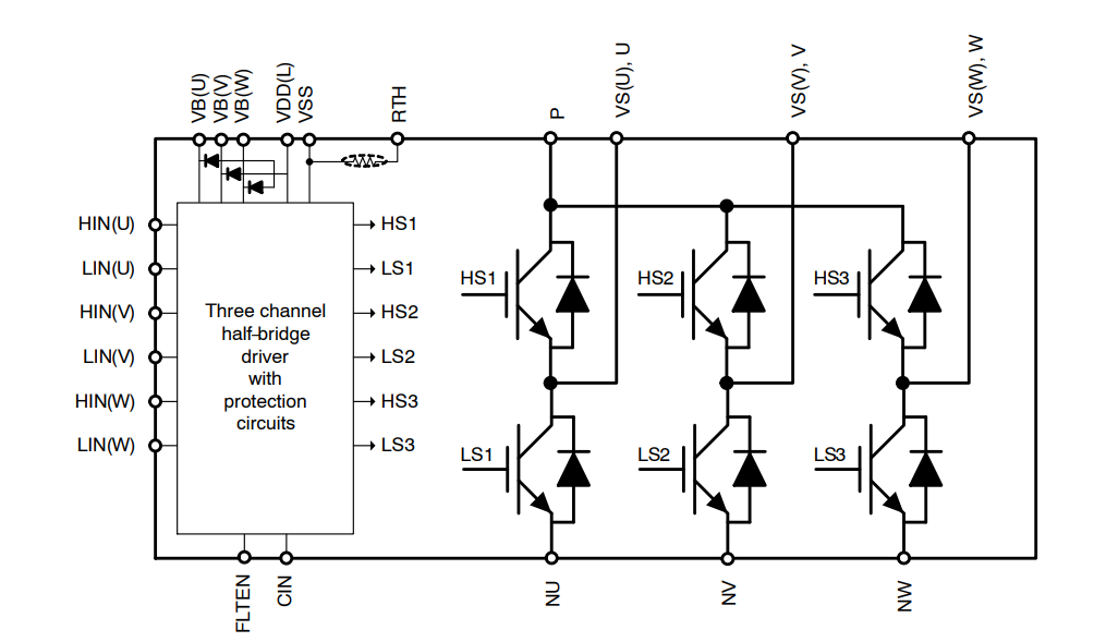
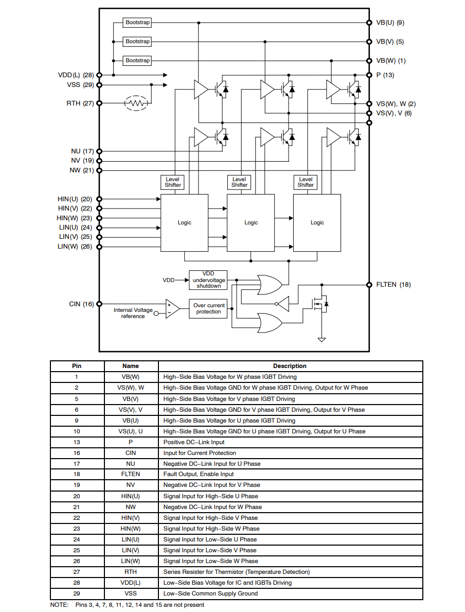
onsemi NFAx 600V Intelligent Power Modules (IPM) are fully integrated inverter power stages. The NFAx 600V modules consist of a high-voltage driver, six IGBTs, and a thermistor, suitable for driving permanent magnet synchronous (PMSM) motors, brushless-DC (BLDC) motors, and AC asynchronous motors. These 600V modules have a full range of protection functions, including cross-conduction protection, external shutdown, and under-voltage lockout. The over-current protection level can be set using an internal comparator and reference connected to the over-current protection circuit.
Features
- Three-phase 10A/600V IGBT module with integrated drivers
- 5A/600V (NFAP0560R4TT)
- Compact 44mm x 20.9mm single in-line package
- Built-in under-voltage protection
- Cross-conduction protection
- Adjustable over-current protection level
- Integrated bootstrap diodes and resistors
- Thermistor for substrate temperature measurement
- Lead-free
Applications
- Industrial drives
- Industrial pumps
- Industrial fans
- Industrial automation
Functional Diagram
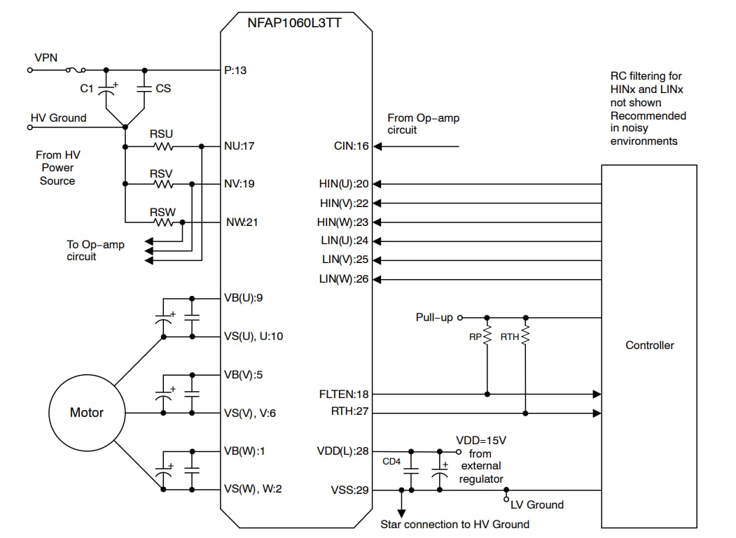
Application Schematic
Block Diagram
Published: 2019-04-30
| Updated: 2025-12-18
