onsemi NCP10970 Dual Output HV Buck Switchers
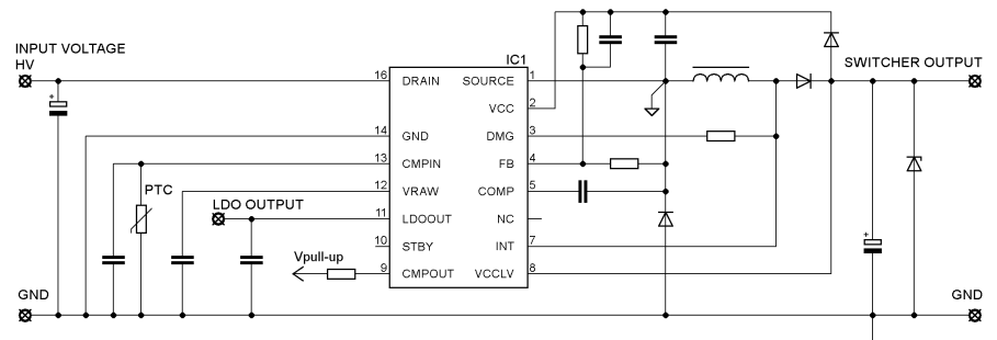
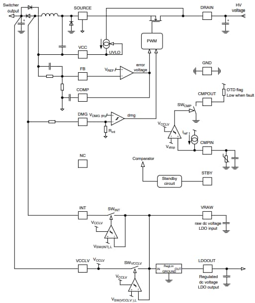
onsemi NCP10970 Dual Output HV Buck Switchers are an auxiliary power solution. The NCP10970 switchers are optimized for a microcontroller unit or a digital signal processor- (DSP) based system. onsemi NCP10970 devices include a high-voltage switcher, a linear regulator, and dedicated comparator circuitry. The switcher is suitable for building output voltage up to 16V that is adjustable by the resistor divider on the FB pin and protected against short-circuits. The dedicated internal circuitry prevents continuous conduction mode (CCM) operation and improves surge robustness, efficiency, and EMI. Typical applications include power management for smart lighting, white goods, IoT, MCU- and DSP-based lighting drivers/ballasts, and industrial multiple-output auxiliary power solutions.Features
- Highly integrated multiple blocks
- 670V input buck switcher
- 3.3V/100mA LDO (A1 option)
- 5V/100mA LDO (B1 option)
- Dual output buck
- Standby mode by MCU
- Protections/utility functions
- Fault in/out pin
- Fast response comparator
- Demagnetization detection
- Short-circuit protection on the buck and LDO - internal thermal shutdown
- Patented VRAW generation for the LDO input
- High-voltage start-up current source
- Built-in 670V and 18Ω RDS(on) lateral MOSFET
- Fixed-frequency DCM current-mode control scheme
- 4ms soft start
- Low LDO power loss
- Low no-load input power
- High system reliability
- Flexible design with overtemperature protection (OTP)/overcurrent protection (OCP)
- Stable operation without CCM
- Easy to pass safety certification
- Achieve good standby power performance
- 16-pin SO package with creepage distance
- Small form factor design
Applications
- Power management for smart lighting, white goods, and IoT
- MCU- and DSP-based lighting drivers/ballasts
- Lighting
- White goods
- Power supplies
Additional Resource
Simplified Block Diagram
Application Schematic
Published: 2020-09-01
| Updated: 2024-05-29
