Omron Industrial Automation S8VK-WA 3-Phase 200V Power Supply

Omron Automation S8VK-WA 3-Phase 200V Power Supply offers a 24VDC output using 170VAC to 264VAC input, and a 240W to 960W power rating. The three-phase input range eliminates the need to load balance and the risk of phase loss. The S8VK-WA supports quick identification of error locations with three LEDs and two MOSFET relay outputs. This power supply is designed to handle high inrush currents up to 150% of the rated current for 10 seconds. Omron S8VK-WA Switch Mode Power Supply complies with EN/IEC 61558-2-16 standards and can operate at an ambient temperature range of -40°C to +70°C.

Specifications

  • 24V output voltage
  • 170VAC to 264VAC input voltage range
  • 240W to 960W power rating 
  • Up to 95% efficiency
  • Overvoltage and overload protection
  • 50/60Hz (47Hz to 63Hz) frequency rating
  • 1mA max. leakage current
  • Complies with EN/IEC 61558-2-16
  • -40°C to +70°C ambient temperature range
  • 2 MOSFET relay outputs (1 for DC output and 1 for overload protection)

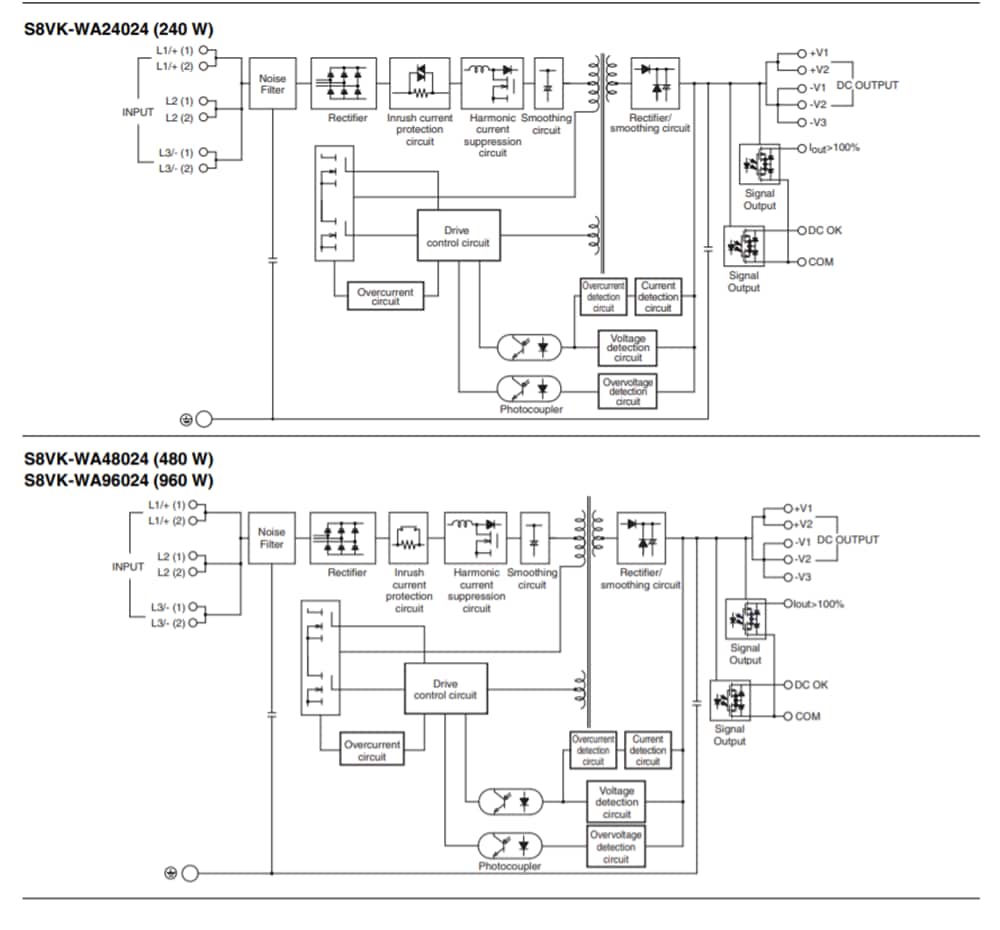
Block Diagrams

Block Diagram - Omron Industrial Automation S8VK-WA 3-Phase 200V Power Supply

Videos

Published: 2019-04-16 | Updated: 2025-06-04