Omron Electronics G5NB-EL-CF Slim 5A High-Temperature Relays

Omron Electronics G5NB-EL-CF Slim 5A High-Temperature Relays provide a slim PCB terminal relay option for designs requiring high-temperature (+105°C) switching of 5A at 250VAC. These sealed, class F coil relays conform to the explosion-proof standard IEC/EN60079-15. These design features make Omron GN5B-EL-CF High-Temperature Relays ideal candidates for switching in flammable gas environments.

Features

  • Supports AC and DC loads with high electrical endurance ratings
    • 5A at 250VAC (50,000 operations at +105°C)
    • 5A at 30VDC (100,000 operations at +85°C)
  • IEC/EN60079-15 conformed - explosion-proof for applications requiring switching in flammable gas environments
  • Up to +105°C operating temperature in high-temperature models for expanded design flexibility

Applications

  • Heat pumps
  • Boilers
  • Air conditioners
  • Industrial machinery
  • Factory automation
  • Inverters

Terminal Arrangements/Internal Connection

Location Circuit - Omron Electronics G5NB-EL-CF Slim 5A High-Temperature Relays

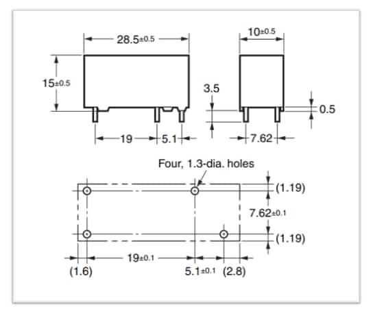
Dimensions

Mechanical Drawing - Omron Electronics G5NB-EL-CF Slim 5A High-Temperature Relays
Published: 2024-04-26 | Updated: 2024-05-10