Nisshinbo R5617 Series Battery Protection ICs
Nisshinbo R5617 Series Battery Protection ICs provide overcharge, over-discharge, and charge/discharge overcurrent protection for one-cell Li-ion and polymer batteries. The R5617 Battery Protection ICs feature an ultra-high overcharge detection of ±10mV, enabling the R5617 Series to ensure safety against overcharge and fully use the battery capacity. Also, the low 2µA power consumption of the R5617 ICs minimizes the R5617 ICs' own battery drain.The Nisshinbo R5617 Series Battery Protection ICs are offered in a compact DFN1814-6B package and an ultra-small WLCSP-6-P13 package ideal for space-constrained applications.
Features
- 1.5V to 5.0V operating input voltage
- Supply Current
- Normal mode: 2.0µA typical, 4.0µA maximum
- Standby mode:0.2µA typical (VDET2: Auto Release type), 0.04µA maximum (VDET2: Latch type)
- Detector Selectable Range and Accuracy
- 4.2V to 4.7V, ±10mV overcharge detection voltage (VDET1)
- 2.0V to 3.2V, ±35mV over-discharge detection voltage (VDET2)
- 0.0030V to 0.0300V, ±0.75m discharge overcurrent detection voltage1 (VDET31)
- 0.010V to 0.100V, ±2mV discharge overcurrent detection voltage2 (VDET32)
- -0.0030V to -0.0300V, ±0.75mV charge overcurrent detection voltage (VDET4)
- 0.020V to 0.150V, ±4mV short-circuit detection voltage (VSHORT1)
- 0V battery charging selectable: Permission / Inhibition
- 0V charging inhibition voltage: 1.0V to 2.2V
- Overcharge / overdischarge release voltage type selectable: Auto Release / Latch
- Discharge overcurrent release voltage type selectable: Auto Release1 (V- = VDD × 8V) / Latch
- Discharge overcurrent detection2 (VDET32) selectable: Enable / Disable
- -40°Cto 85°C operating temperature range
- Package options
- DFN1814-6B
- WLCSP-6-P13
Applications
- Smartphones
- Tablets
- Handheld games
- Hearing aids
Typical Application Circuit
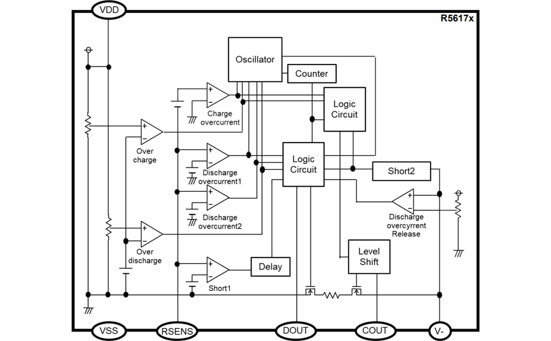
Block Diagram
Published: 2021-12-14
| Updated: 2022-03-11
