Murata Power Solutions MEU1 Isolated 1W Single Output DC/DC Converters

Murata MEU1 Isolated 1W Single Output DC/DC Converters are ultra-miniature through-hole devices available in a ZIP style pinout. The MEU1 series features a 26% reduced footprint over previously released products and offers 1W of available output power over the industrial temperature range of -40°C to +85°C. These devices are perfect for providing local supplies on control system boards. The MEU1 series also offers the benefit of 1kVDC galvanic isolation to reduce switching noise and allows the device to be configured to provide an isolated negative rail in systems where only positive rails exist.

Features

  • Footprint reduction of over 26% from previous generations of 1W DC/DC's
  • UL60950 recognition pending
  • Single isolated output
  • 1kVDC isolation
  • Efficiency up to 87% typical
  • Wide temperature performance at full 1W load, -40°C to +85°C
  • Power density of 2.61W/cm3
  • 3.3V, 5V, and 12V input
  • 3.3V, 5V, 9V, 12V, and 15V output
  • Custom solutions available
  • PCB mounting

Specifications

  • 67mA to 303mA output current range
  • 6% to 14% maximum load regulation range
  • 35mVp-p to 50mVp-p maximum ripple and noise range
  • 103mA to 274mA input current range at rated load
  • 28pF to 91pF typical isolation capacitance range
  • 1.0W rated power
  • 1000VDC minimum isolation test voltage
  • 10GΩ minimum resistance
  • 90kHz switching frequency
  • Temperature ranges
    • -40°C to +85°C operating
    • -50°C to +125°C storage
  • Free air convection cooling

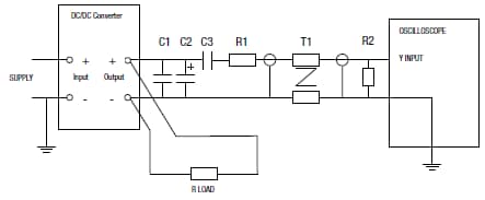
Differential Mode Noise Test Schematic

Murata Power Solutions MEU1 Isolated 1W Single Output DC/DC Converters

Package Specifications

Murata Power Solutions MEU1 Isolated 1W Single Output DC/DC Converters
Published: 2013-10-14 | Updated: 2025-12-11