Monolithic Power Systems (MPS) EV8017-RJ45-00A Connection Board
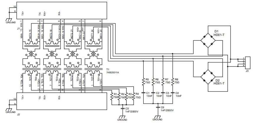
Monolithic Power Systems (MPS) EV8017-RJ45-00A Connection Board is designed to be used with the EVL8017 evaluation board. This RJ45 connection board delivers Power-Over-Ethernet (PoE) power from the Ethernet cable to the EVL8017-L-00B evaluation board to evaluate the capabilities of the MP8017 PoE-powered device. To set up the EV8017-RJ45-00A connection board, connect the J1 connector of the EVL8017-L-00B evaluation board to the J3 connector of the connection board. Connect the load terminals (positive to Vout and negative to VOGND) and connect the Ethernet cable from the PSE to the J1 connector of the EV8017-RJ45-00A. The EV8017-RJ45-00A connection board is available in 4.7cm x 4.2cm x 1.5cm dimensions.Features
- Delivers PoE power from the Ethernet cable to the EVL8017 evaluation board
- Avaialble in 4.7cm x 4.2cm x 1.5cm dimensions
Set-Up Method
Schematic Diagram
Published: 2024-07-31
| Updated: 2024-08-21
