Mini-Circuits AVA Wideband Amplifiers
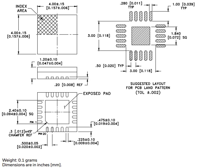
Mini-Circuits AVA Wideband Amplifiers are GaAs pHEMT MMIC amplifiers in an industry-standard 4mm x 4mm 20-lead QFN-style package. These amplifiers appear with 50Ω internal matching eliminating the need for external matching components and simplifying the integration process. The AVA amplifiers operate within the -45°C to 85°C temperature range and are RoHS compliant. Typical applications include test and measurement equipment, satellite communications, 5G MIMO, radar, EW, and ECM defense systems.Features
- Good input and output return loss
- 4mm x 4mm 20-lead QFN style package
- -45°C to 85°C operating temperature range
- -65°C to 150°C storage temperature range
- 175°C junction temperature
- ENV08T10 environmental ratings
- RoHS compliant
Applications
- 5G MIMO and back haul radio systems
- Satellite communications
- Test and measurement equipment
- Radar, EW, and ECM defense systems
Dimensions
View Results ( 11 ) Page
| Part Number | Description | Datasheet | Package / Case | Operating Frequency | P1dB - Compression Point | Gain | Operating Supply Voltage | NF - Noise Figure | OIP3 - Third Order Intercept | Operating Supply Current | Input Return Loss | Isolation dB | Pd - Power Dissipation |
|---|---|---|---|---|---|---|---|---|---|---|---|---|---|
| AVA-17303+ | RF Amplifier SMT MMIC, Medium Power pHEMT Amplifier, 17 to 31.5 GHz, 50ohm | ![]() |
QFN-20 | 17 GHz to 31.5 GHz | 23.7 dBm | 23.7 dB | 6 V | 5.7 dB | 34 dBm | 160 mA | 17 dB | 56 dB | 1.8 W |
| AVA-6183MPS+ | RF Amplifier SMT MMIC, Medium Power pHEMT Amplifier, 6 - 18 GHz, 50ohm | ![]() |
QFN-32 | 6 GHz to 18 GHz | 26.6 dBm | 23.1 dB | 6 V | 9 dB | 33.6 dBm | 663 mA | 20 dB | 60.7 dB | 1.8 W |
| AVA-0233LN+ | RF Amplifier SMT Low Noise Amplifier, 2 - 30 GHz, 50? | ![]() |
DG1677-4-32 | 2 GHz to 30 GHz | 11.5 dBm | 17.5 dB | 4.75 V to 5.25 V | 4.8 dB | 20.6 dBm | 92 mA | 17.2 dB | 1.55 W | |
| AVA-223MP+ | RF Amplifier 0.1-22GHZ MMIC MPA | ![]() |
QFN-32 | 100 kHz to 22 GHz | 26 dBm | 14.9 dB | 9 V to 11 V | 5.2 dB | 41.1 dBm | 300 mA | 20 dB | 43.7 dB | 6.38 W |
| AVA-5R183+ | RF Amplifier SMT Gain Block, 500 MHz - 18 GHz, 50 Ohm | ![]() |
QFN-20 | 500 MHz to 18 GHz | 6.8 dBm | 15.3 dB | 5 V | 5.4 dB | 27.9 dBm | 85 mA | 20 dB | 40.5 dB | 400 mW |
| AVA-183A+ | RF Amplifier ML AMPL / SURF MOUNT / RoHS | ![]() |
SMT-8 | 5 GHz to 18 GHz | 18.7 dBm | 12.4 dB | 5 V | 6 dB | 24.4 dBm | 131 mA | 7.5 dB | 980 mW | |
| AVA-183MP+ | RF Amplifier SMT Low Noise Amplifier, 50 MHz - 18 GHz, 50 Ohm | ![]() |
QFN-24 | 50 MHz to 18 GHz | 25.8 dBm | 16.3 dB | 8 V | 1.8 dB | 31 dBm | 160 mA | 15.9 dB | 43 dB | 2.8 W |
| AVA-2183+ | RF Amplifier SMT Gain Block, 2 - 20 GHz, 50 Ohm | ![]() |
QFN-20 | 2 GHz to 20 GHz | 19 dBm | 16.4 dB | 4 V | 6.7 dB | 25 dBm | 210 mA | 16.4 dB | 60.8 dB | 1.7 W |
| AVA-183P+ | RF Amplifier MMIC WIDEBAND AMPLIFIER | ![]() |
MCLP-12 | 500 MHz to 18 GHz | 11.6 dBm | 10.8 dB | 5 V | 5 dB | 19.1 dBm | 46.3 mA | 14 dB | 460 mW | |
| AVA-24A+ | RF Amplifier ML AMPL / SURF MOUNT / RoHS | ![]() |
SMT-8 | 5 GHz to 20 GHz | 18.6 dBm | 10.1 dB | 5 V | 6.9 dB | 21.4 dBm | 120 mA | 7 dB | 860 mW |
Published: 2023-06-22
| Updated: 2025-05-27

