Mikroe RadioStation Click Board™
Mikroe RadioStation Click Board™ is designed to broadcast music via the FM radio band. This click board features the Si4713-B30 FM broadcast stereo transmitter which has an operating frequency range of 76MHz to 108MHz. The broadcasting range of the click board can be extended by attaching a small FM antenna. This Mikroe RadioStation click board directs the audio signal to the low-noise, analog-input terminals of the Si4713-B30 where it gets attenuated and converted into digital format. The onboard digital signal processor (DSP) provides audio dynamic range control and modulation adjustment of the signal for an optimal listening experience. The RadioStation click board offers high quality integrated FM radio transmitter.The RadioStation Click Board uses advanced audio processing techniques to avoid over-modulation and to achieve perfect levels of audio for broadcasting. The digital Intermediate Frequency (IF) signal is filtered out and sent to output stage mixer where it is converted to a radio frequency signal. The RadioStation click board is ideal for application in MP3 players, portable media players, personal computers, cell phones, and wireless speakers.
Features
- Easy to set
- High-quality integrated FM radio transmitter
- Advanced audio processing
- Silicon Labs Si4713-B30 FM broadcast stereo transmitter
- I2C interface
- 2-wire control interface
- -20°C to +85°C ambient temperature
- 76MHz to 108MHz broadcasting frequency range
- 53dB to 58dB signal-to-noise ratio (SNR)
- 0.5% total harmonic distortion (THD)
- Broadcasts RDS/RDBS data
Applications
- Cellular phones
- MP3 players
- Portable media players
- Wireless speakers
- Personal computers
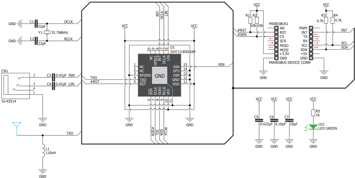
Schematic
Videos
Published: 2018-01-18
| Updated: 2022-07-28
