Microchip Technology Ultrasound T/R Switch ICs
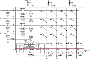
Microchip Ultrasound T/R Switch ICs deliver high voltage current limiting protection. Microchip Ultrasound T/R Switch ICs are designed to protect a low noise receiver from the high voltage transmit pulses in ultrasound applications and are commonly referred to as a T/R (transmit and receive) switch. Ultrasound T/R Switch ICs can be considered as a normally closed switch with a typical switch resistance of 15Ω, allowing small signals to pass. Once the voltage drop across the two terminals exceeds a nominal voltage, the device will start to turn off. In the off state, the MD0105 can withstand up to ±130V across its terminals, while the MD0101 can withstand ±100V. A small amount of current, typically 200μA, is allowed to flow through. Ultrasound T/R Switch ICs are not limited to just ultrasound applications. They can also be used for resettable fuses to protect power lines, output short circuit protection, and data acquisition.Features
- Fast switching speed
- Four electrically isolated channels
- No external supplies needed
Applications
- Medical ultrasound imaging
- NDT applications
- Fast resettable fuses
- High side switches
- Data acquisition
View Results ( 2 ) Page
| Part Number | Package / Case | Bandwidth | Datasheet | Description |
|---|---|---|---|---|
| MD0105K6-G | VDFN-18 | 100 MHz | ![]() |
Switch ICs - Various 4CH HV PROTECTION SWITCH |
| MD0101K6-G | DFN-18 | 100 MHz | ![]() |
Switch ICs - Various HV PROTECTION SWITCH W/ CLAMP DIODES |
Published: 2013-04-10
| Updated: 2022-03-11

