Microchip Technology MCP73871 USB/AC Battery Charger
Microchip Technology MCP73871 USB/AC Battery Charger is a 1A fully integrated linear solution for system load sharing and Li-Ion and Li-Polymer battery charge management with AC-DC wall adapter and USB port power sources selection. The MCP73871 is capable of autonomous power source selection between input or battery. This device employs a constant current/constant voltage (CC/CV) charge algorithm with a selectable charge termination point. The constant voltage regulation is fixed with four available options including 4.10V, 4.20V, 4.35V, or 4.40V to accommodate new and emerging battery charging requirements.The MCP73871 Controller limits the charge current based on the die temperature during high ambient conditions or high power. This device features a resistor programmable termination set point, battery cell temperature monitor, automatic recharge, automatic end-of-charge control, and Under-Voltage Lockout (UVLO).
The Microchip Technology MCP73871 USB/AC Battery Charger is available in a compact QFN-20 package with a -40°C to +85°C operating temperature.
Features
- Integrated system load sharing and battery charge management
- Simultaneously powers the system and charges the Li-ion battery
- Voltage Proportional Current Control (VPCC) ensures system load has priority over Li-ion battery charge current
- Low-loss power-path management with ideal diode operation
- Complete linear charge management controller
- Integrated pass transistors
- Integrated current sense
- Integrated reverse discharge protection
- Selectable input power sources are USB port or AC-DC wall adapter
- Preset high accuracy charge voltage options
- 4.10V, 4.20V, 4.35V, or 4.40V
- ±0.5% regulation tolerance
- CC/CV operation with thermal regulation
- 1.8A maximum total input current control
- 50mA to 1A resistor programmable fast charge current
- Resistor programmable termination set point
- Automatic recharge
- Selectable USB input current control
- Automatic end-of-charge control
- Safety timer with timer enable/disable control
- 0.1C preconditioning for deeply depleted cells
- Battery cell temperature monitor
- Undervoltage Lockout (UVLO)
- Low Battery status indicator (LBO)
- Power-Good status indicator (PG)
- Charge status and fault condition indicators
- -40ºC to 85ºC temperature range
- 4mm x 4mm QFN-20 package
Applications
- Global Positioning Systems (GPSs) / Navigators
- Smartphones
- Portable media players and MP3 players
- Digital cameras
- Bluetooth headsets
- Portable medical devices
- Charge cradles / docking stations
- Toys
Application Circuit
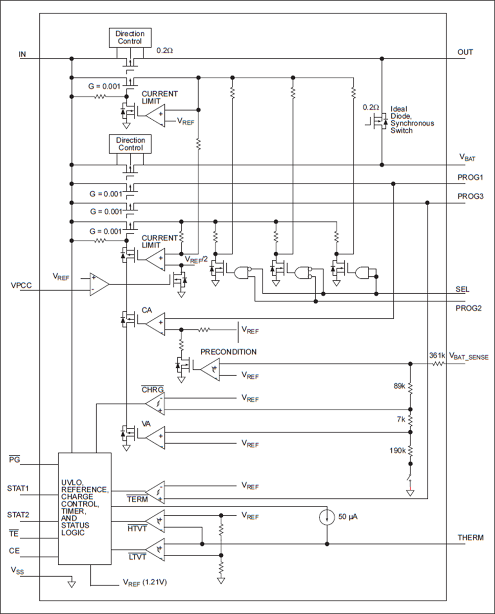
Block Diagram
Published: 2017-12-20
| Updated: 2024-12-26
