Atmel / Microchip ATPOWERDEBUGGER Power Debugger Kit
Microchip Technology Atmel ATPOWERDEBUGGER Power Debugger Kit is a development tool for debugging and programming AVR and Smart Arm-based microcontrollers. The tool works on AVR microcontrollers using UPDI, JTAG, PDI, debugWIRE, aWire, TPI, or SPI target interfaces. The debugger also works on SAM microcontrollers using JTAG or SWD target interfaces. The device has two independent current-sensing channels for measuring and optimizing the power consumption of a design. The Microchip Technology Atmel debugger includes a CDC virtual COM port interface in addition to Atmel Data Gateway Interface channels. This enables streaming application data to the host computer from an SPI, USART, TWI, or GPIO source. The device is a CMSIS-DAP compatible debugger and works with Studio 7.0 or later, or other front-end software capable of connecting to a generic CMSIS-DAP unit.Features
- Supports UPDI, JTAG, SWD, PDI, TPI, aWire, SPI, and debugWIRE interfaces
- Two independent measurement channels measuring both voltage and current simultaneously
- High-resolution channel that can measure 100nA to 100mA and one lower-resolution channel that can measure 1mA to 1A.
- Adjustable power supply that can be used to power the target application
- 1.6V and 5.5V voltage adjustable (can deliver up to 100mA)
- USB feed-through connection for easy measurement of current consumption of a USB-powered target board
- 1.62V to 5.5V target operation
- Provides both an Arm Cortex Debug Connector (10-pin) pin-out and an AVR JTAG connector pin-out
- CDC virtual COM port interface
- Atmel Data Gateway Interface channels for streaming application data to the host computer from an SPI, USART, TWI, or GPIO source
Kit Contents
- Power Debugger unit with plastic back-plate
- USB cables (1.5m, high-speed, Micro-B)
- Adapter board containing 50mm AVR, 100mm AVR/SAM, and 100mm 20-pin SAM adapters
- Insulation-displacement contact flat cable with 10-pin 50mm connector and 6-pin 100mm connector
- 50mm 10-pin mini-squid cable with 10 x 100-mil sockets
- 20mm x 100mm separable strap cables
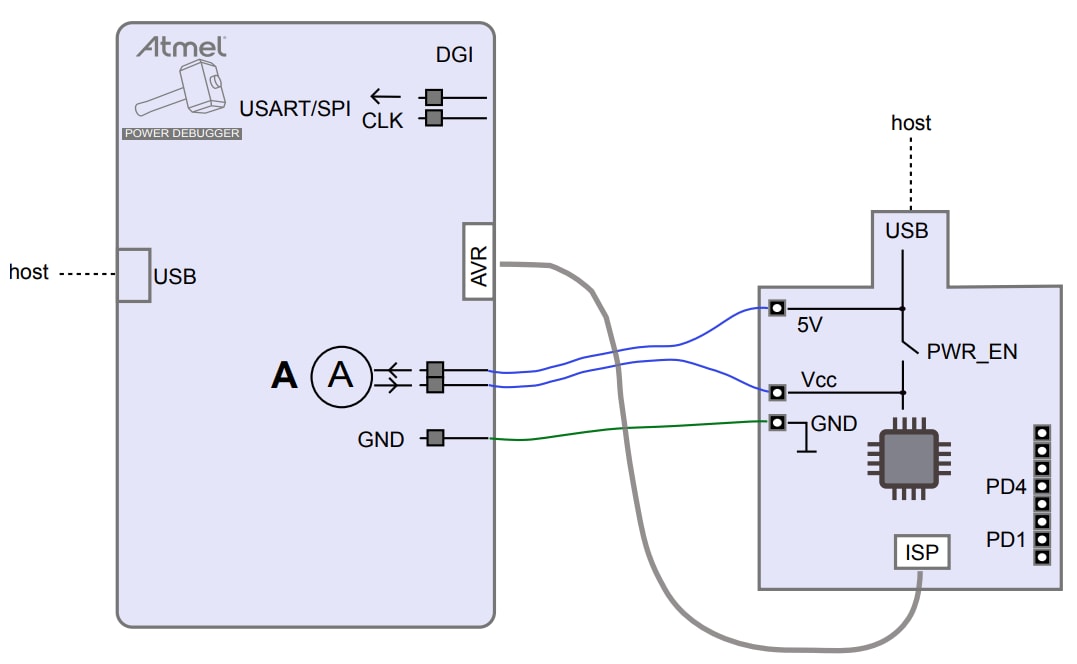
Block Diagram
Published: 2019-03-12
| Updated: 2023-04-26
